Atlas -210x/215x POST MIXER BUFFER VERSTERKER

Experimenten met verschillende systemen.

 click on Post mixer amp

 6-jul-2014. Met een derde eenvoudiger ontwerp van een "post mixer amplifier" met SWR beeld op spectrum analysator en foto print.

Stroombesparende "levenslange" LEDs verlichten schaal en meter en het zelfgemaakte Alu vingerkuiltje vergemakkelijkt het draaien.

POST MIXER VERSTERKER I

Een optimale werking van een dubbel gebalanceerde diode ringmixer kan onder andere verbeterd worden als de middenfrequent (IF) poort afgesloten wordt met een reflectievrije impedantie van 50 Ohm. Dat kan men bereiken met een zogenaamde duplexer (fig»), maar ook met een breedband versterker waarvan de ingang over een breed bereik ongeveer 50 Ohm is. De volgende schakelingen heb ik getest:

Uiteindelijk is gekozen voor het volgende ontwerp:

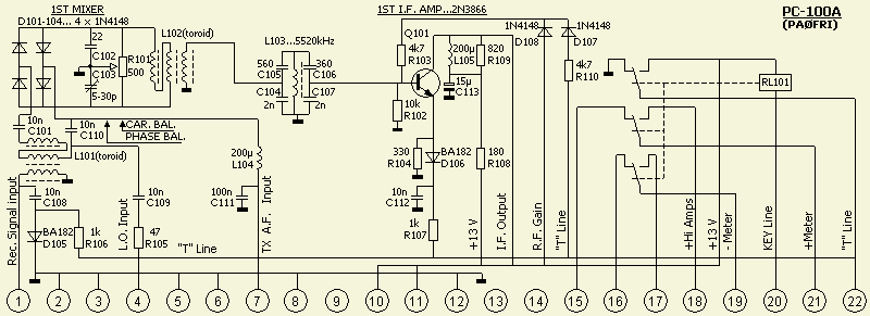
Het is gedaan met een FET in geaarde gate schakeling. Het is toepasbaar voor alle PC-100A t/m PC-100D printen. De afgestemde kring (L103) heeft in manuals niet hetzelfde nummer. Ook de kerntjes en condensators zijn per printtype anders en dat is in bovenstaand schema als extra informatie ingetekend. De gegevens heb ik overgenomen van de in mijn bezit zijnde originele PC-100 printen.

De J310 versterker dient in feite als buffer tussen de mixer en de daarop volgende afgestemde kring L103. Teveel versterking leidt in deze set tot oscilleren tijdens het zenden. Daarom werd aan de uitgang met standaard weerstanden een verzwakker aangebracht en dan gaat de source ingang van de FET nog beter op 50 Ohm lijken. Bij een meting bleek dan ook dat de SWR ≤ 1.7 was van 1.5 tot 45 MHz. Ik kon niet verder gaan want mijn apparatuur was maar nauwkeurig tot ongeveer 45 MHz.

 

 

De FET kan met kortere pootjes gemonteerd worden. De paarse 4C6 ringkern was bij mij in voorraad en werd daarom gebruikt.

De montage (zie foto) is niet moeilijk en men hoeft alleen een spoortje te onderbreken. Als de schakeling niet bevalt of men wil om een andere reden de originele schakeling genereren, dan volstaat het verwijderen van de componenten en het doorverbinden van het spoortje.

In principe hoeft er na de modificatie niets afgeregeld te worden, maar het naregelen van L103 op maximum output of maximale ontvangst in de 15 m band kan tot een optimaal resultaat leiden.

Puristen zullen wel opmerken dat er beter een hoogstroom FET geplaatst kon worden en dat heb ik inderdaad nog getest met een ouderwetse P8000 en P8002. In de praktijk echter bleek er geen merkbaar verschil te zijn zodat het bleef bij de beter verkrijgbare J310.

PC-100A getekend met sPlan.

 

De post mixer versterker in het PC-100C schema getekend.

POST MIXER VERSTERKER II

 

Omdat hier beschikking is over PC-100A, PC-100B, PC-100C en PC-100D kon ik het niet laten om mijn drift tot experimenteren nog eens los te laten op print PC-100D in mijn Atlas215x. In het verleden werd hier al eens geknutseld met meerdere J310 parallel om de "absolete" P8000 en P8002 te vervangen. Het doel was om de uitgang van L102 zo goed mogelijk met 50 Ohm te belasten en niet teveel versterking in de bestaande schakeling te introduceren. Met nevenstaande schakeling is dat redelijk goed gelukt en de uitgang van L102 ziet over een breed gebied een belasting van 50 Ohm met een SWR = 1.3. Het een en ander werd gemeten met twee verschillende antenne analysators.

PC-100D met de modificaties ingetekend. Beide FET's hebben hun eigen ruststroom circuit.

Let op de extra 100 nF condensator parallel aan elco C113 (15 µF). Deze betere ontkoppeling adviseer ik om op alle PC-100 printen aan te brengen.

Omdat het na veel zoeken gelukt was om ook nog 1N5711 diodes te bemachtigen, werden de originele 1N4148 in de eerste mixer daarmee vervangen.

Zijn de Altassen nu beter geworden met de mods? Ik heb het (nog) niet kunnen meten, maar slechter zijn de apparaten er niet op geworden.

POST MIXER VERSTERKER III

Later in 2014 bleek tijdens het experimenteren dat J310 FET's van dezelfde serie (batch) behoorlijk aan elkaar gelijk waren. Als ze parallel geschakeld werden in plaats van elk een aparte instelling (b.v. schema hierboven), had het geen merkbare invloed in de schakeling.

Aanvankelijk werd aan de ingang een lage SWR verkregen met één J310, maar met een (fig») tweede parallel, was de SWR nog beter!

De koppeling met de volgende afgestemde kring (L103) wordt niet gedaan met een ringkern breedband systeem, maar met een 10 pF condensator aan de top van L103. Zowel de post mixer versterker als de afgestemde kring worden minder belast en is er een scherpere resonantie. Daarmee komt het knooppunt van de capacitieve spanningdeler C104/C105 te vervallen. De kring moet na het aanbrengen van de modificatie opnieuw afgeregeld worden.

De 1 nF condensator (C104) is nu feitelijk overbodig en zou kortgesloten kunnen worden om 100 pF (C105) direct aan massa te leggen. Om afstemming te bereiken moet de kern van L103 uitgedraaid worden, maar dat kan helaas niet ver genoeg. Als verbetering kan men de combinatie C104/C105 vervangen door één kwaliteits condenstor van in dit geval 91 pF.

Merk op dat Atlas hun schema's vrijwel niet hebben bijgehouden. Er zijn meerdere versies van printontwerpen waarbij de afgestemde kring een andere kleur van de kern heeft en de bijbehorende afstem capaciteiten ook afwijken. Ter informatie heb ik van mijn zes PC100(A - D) printen de gegevens in (fig») bijgaand schema gezet.

Een derde maar eenvoudiger en even effectieve post mixer versterker.

De SWR aan de ingang van beide FET's werd ook los van de schakeling getest (fig»).

De SWR is vrij ongevoelig voor een veranderde belasting van de drain zelfs als dat kortgesloten wordt met een 10 nF condensator. De isolatie tussen in en uitgang is kennelijk behoorlijk groot.

Zie ook mijn andere Atlas-210x/215X artikelen:

Algemene informatie

VFO stabilisator

AGC modificatie

Atlas-210x 17 m modificatie

Speech processor