KENWOOD TL-922 (TL-922A, TL922) MODIFICATIES
14-apr-2024.

Op 9 banden 1000 – 1300 W output!

Klik op het schema om het te vergroten.
|
Aan de top en onderkant van de buizen werden veranderingen aangebracht om de stabilisatie te verbeteren. |
Een Kenwood TL-922 HF versterker met 2 × 3-500Z buizen parallel is een van de beste, robuuste en kleinste apparaten voor ons radiozendamateurs. Het is uitgevoerd met dubbele afscherming in een kast van dik materiaal met stevige handgrepen. Binnenin is alles opgebouwd met echte componenten voor zenders en er zijn aparte transformators voor hoogspanning en gloeispanning. Als de HV trafo te heet wordt, komt een beveiliging in werking en als men de versterker uitschakelt, gaat de ventilator nog een aantal minuten door. Allemaal eigenschappen die de huidige versterkers ontberen, kortom een aanrader als u een 2dehands exemplaar tegenkomt. Echter er blijven wensen over.
Met een lichtnetspanning van 228 V op de 240 V aansluiting en met een sturing met 100 W, levert de versterker op 10, 12, 15, 17, 20, 40, 80 en 160 m een vermogen van 1000 – 1150 W. Op 30 m kan men met een tuner tussen zender en PA in het 40 m bereik of zonder tuner in het 20 m bereik ook nog behoorlijk wat vermogen maken. Toen alle roosters als modificatie direct met massa verbonden werden, kwam er maximaal 1300 W uit.
Voordat u een (2dehands) TL-922A in gebruik neemt, is het verstandig om eerst alle aan het eind van dit artikel beschreven minimum modificaties aan te brengen.
OUTPUT EN STANDEN PLATE & LOAD OP 9 BANDEN NA DE MODIFICATIES
|
|
Een optimaal resultaat met ± 2 m coaxkabel. |
Na het aanbrengen van modificaties was het resultaat: een stabiele TL-922, alle roosters direct geaard, een extra draad naar VC1 en de aanbevolen lengte coaxkabel tussen zender en versterker. Op sommige momenten van een dag is de netspanning wat hoger en dan levert de versterker ongeveer 50 W meer vermogen.
|
|
Een zekering in de primaire kant van de gloeistroom trafo |
Op internet word nogal eens vermeld dat de smoorspoelen (L7, L8) aan het rooster doorbranden bij instabiliteit van de buizen. Dat komt vrij veel voor bij een lange tijd niet gebruikte buizen. De kortsluiting gaat via relais RL2-1, de zenerdiode en het chassis. De meter zal ook wel een klap krijgen. Een bescherming kan gemaakt worden door zekeringen op te nemen in serie met de smoorspoelen. Dit heb ik niet in mijn versterker gedaan, maar als voorzorgsmaatregel tegen een sluiting van rooster naar kathode een zekering (fig») aangebracht in de primaire kant van de gloeistroom transformator.
|
Bij het testen werd dit tijdelijk als beveiliging aangebracht en later (fig») netter uitgevoerd. |
L2 (12 µH) werd verwijderd.
De definitieve montage. |
De buizen en voeding kan men beschermen tegen momentele kortsluiting (z.g. flash over) door is serie met de anode smoorspoel een weerstand en zekering op te nemen. Op de foto werd dat tijdelijk gedaan om de versterker in eerste instantie te testen en beschermen. Later kan men dat netter en definitief aanbrengen. Tijdens de test werd tussen de bedrijven door een 2dehands 3-500Z gecontroleerd op bruikbaarheid. Deze buis was al geruime tijd niet meer gebruikt. Nadat met een variac de spanning geleidelijk opgevoerd was, waren er een paar keer vonkoverslagen (flash over) met als resultaat een doorgepiepte 1 A zekering. Een bewijs dat de voeding goed beschermd werd. Na ongeveer 30 minuten en een paar doorgebrande zekeringen bleef de buis stabiel, was de blauwe gloed verdwenen en verkreeg de buis zijn normale uitgangsvermogen.
Ter voorkoming van vonkoverslag in een nieuwe of lange tijd niet gebruikte buis, is het verstandig om hem voor te bereiden (reactiveren) op zijn taak. Daar zijn diverse meningen over en oplossingen voor. Bij een 3-500Z kan dat betrekkelijk eenvoudig. Met een gelijkspanning van 30 à 40 V heeft men voldoende om de buis 400 mA te laten trekken als het rooster met de anode verbonden wordt. Laat de buis eerst een half uur aanstaan met alléén 4.9 V op de gloeidraad. Daarna komt de "hoogspanning" van ongeveer 35 V erop en regelt men dat af op een anodestroom van 400 mA. Het mooiste is als men de beschikking heeft over een stroombegrenzer, want tijdens het reactiveren kan de stroom onverwachts toenemen, zodat een bewaking nodig blijft om die 400 mA te handhaven. Meestal laat ik het reactiveren niet langer duren dan een uur of zo en herstelt de buis zich verder door het te gebruiken in een versterker. U heeft gauw genoeg in de gaten dat een goede buis zich gedraagt volgens bijgaande tabel. De "slechtste" buis zou nummer 2 zijn, maar qua maximale output was er geen verschil met de andere geteste buizen.
Als u niet de beschikking heeft over deze aparte voeding ga dan als volgt te werk:
Monteer de zekeringhouder en weerstand zoals dat eerder in dit artikel staat, maar laat de zekering even weg.
Zet de netspanning (± 228 V) aan de achterkant op de 240 V taps van de trafo's.
Schakel de lineair aan zodat de buizen gloeien zonder HV omdat de zekering ontbreekt.
Laat de buizen ongeveer een uur aan staan.
Schakel dan de PA uit en plaats de zekering.
Schakel de PA daarna weer aan en sluit een geschikte dummy load aan op de antenne connector.
Zet de PA op CW en OPERATE en sluit aan de achterkant het RL CONT kort zodat er ruststroom (<100 mA) gaat lopen.
Laat de PA ongeveer een uur aan staan.
Verbreek het RL CONT.
Schakel daarna over op SSB mode (=hogere anode spanning).
Sluit het RL CONT weer kort.
Laat de PA ongeveer 10 minuten ruststroom trekken, dat zal < 200 mA zijn.
Verbreek het RL CONT.
Zet de PA in de CW mode.
Nu kan de lineair voorzichtig aangestuurd worden door de transceiver, eerst in de CW stand en als het goed gaat in de SSB stand. De ruststroom zal te laag zijn door de lagere spanning op de 240 V taps van de trafo's en dan moet voor meer stroom de zenerdiode D2 overbrugd worden door 4 diodes in serie (zie verder in dit artikel).
Deze modificatie verbetert de stabiliteit van de versterker door een kortere verbinding van de variabele condensator VC1 naar een gemeenschappelijk aardpunt bij de buisvoeten. Zo'n directe verbinding breng ik bij alle HF versterkers aan, zoals FL2100, GLA1000, LA30, NEC CQ301, SB200, Ten Tec Centaur en mijn eigenbouw ontwerpen. In tegenstelling tot de bekende Richard Measures AG6K, die het probleem aanpakt door het plaatsen van meerdere parasietstoppers, ben ik van mening dat het ontbreken van een directe weg van condensator naar de onderkant van de buisvoeten, de hoofdoorzaak is van het oscilleren op VHF.
Het aardcontact van de variabele condensator is eigenlijk "geïsoleerd" van de buisvoeten omdat zij in een soort kooi van Faraday geplaatst zijn. Een circulerende HF stroom tussen de condensator en de buizen komt wel bij de buisvoet, maar niet via de kortste weg. Dat kan, ook bij andere versterkers, instabiliteit door zelfoscillerend gedrag tot gevolg hebben. Een directe verbinding van de condensator naar de onderzijde van de buizen voorkomt of onderdrukt dat. Een reeds aanwezig gat in het chassis kan gebruikt worden om de geïsoleerde draad er doorheen te leiden. In mijn eigen apparaat werd een doorvoer met soldeerpunten aangebracht.
|
Zo werd het aangebracht in de PA van een collega zendamateur. |
Aan de onderkant verbindt men de twee soldeersteunen ter weerszijden van de buisvoeten door een stuk blank 2.5 mm² installatiedraad met elkaar. Dat wordt het gemeenschappelijk aardpunt voor beide buizen en het contactpunt van de extra draad komend van VC1.
Parasieten kunnen onderdrukt of voorkomen worden door voor de parasietstromen een obstakel (stopper) aan te brengen die haaks staat («fig) op de richting van de stroom. Dat kan in de vorm van een haarpin geleider en het werkt, zonder noemenswaardig verlies van het oorspronkelijke vermogen, bij frequenties die een veelvoud zijn van 100 MHz. De voornaamste taak is het creëren van een hoge impedantie in serie met het anodecircuit. Deze methode werkt alleen goed als de werkfrequenties en frequenties van de parasieten voldoende van elkaar af liggen, zodat er voor de werkfrequenties geen buitensporige weerstandsverliezen ontstaan. De stopper moet een zo laag mogelijke L/C verhouding hebben en ook voldoende gedempt worden om een breedband werking te verkrijgen.
Het dempen kan bereikt worden door parallel aan de haarpin een niet inductieve weerstand te schakelen en de haarpin te maken van slecht geleidend metaal. Een ruw of geprofileerd oppervlak geeft extra weerstand ten opzichte van een gepolijste of gepoetste geleider. De haarpin kan gemaakt worden van een nikkel legering draad c.q. strip of van vertind koper. De gelijkstroomweerstand hoeft niet meer te zijn dan een fractie van 1 Ohm.

De stoppers werden gemaakt van een 12 cm lange blanke en vertinde 2.5 mm² installatie draad.
|
|
|
Ware grootte. |
|
De weerstanden van de originele parasiet stoppers zagen er niet meer zo fris uit, er zaten barsten in en het formaat was naar mijn oordeel wat aan de kleine kant. De "antieke" koolweerstanden (fig») zijn bijna niet meer te verkrijgen, maar o.a. PHILIPS heeft metaalfilm weerstanden van ongeveer 3 W.
Mijn ervaring is dat haarpin onderdrukkers beter werken dan spoeltjes met parallel weerstanden. Omdat vrijwel al mijn versterkers al daarmee voorzien waren, werd dat hier ook gedaan. Volgens AG6K moeten zij gemaakt worden van een speciale dure metaalsoort (NiCr), maar dat is niet nodig.
TO-220 REFLECTIEVRIJE WEERSTAND
Tegenwoordig is het niet eenvoudig om aan conventionele reflectievrije weerstanden te komen. Een behoorlijk aantal amateurs heeft mij daarover om hulp of advies gevraagd. Hoewel ik het zelf nog niet getest heb, stelde ik voor om («fig) het te proberen met "non inductive metal plate resistor housed in TO-220 style package". PE1DFT heeft de proef (fig») genomen en schrijft: "Ik zou je daar nog feedback op geven en kan daar ook kort over zijn: Het werkt, ze zitten er nu een jaartje in, en alles is nog heel!"
Dat is goed nieuws voor iedereen die nog een "retrofit" aan zijn buizen PA moet doen. Dergelijke reflectievrije typen worden onder andere als Caddock weerstanden aangeboden.
Als u vertind draad gebruikt, heeft het oppervlakte een voldoende "skin" weerstand voor VHF. Hier werd («fig) blank vertind 6 mm² installatie draad gebruikt dat in deze toepassing de buizen net zo stevig op hun plaats houdt als de originele stoppers.
Knip een stuk van 12 cm, buigt dat om een pijp van 2.5 cm doorsnede en soldeer aan beide uiteinden een kabelschoen of soldeerlip. Er over nadenkend zou het mij niet verbazen dat door de montage van de weerstanden naast elkaar, de stoppers op twee brede frequentiebanden effectief zijn. Met één weestand gaat het ook goed zoals ik dat («fig) in een andere TL-922 gedaan heb. De totale lengte van de draad is hetzelfde, alleen het open einde van de haarpin is iets wijder. Zie het laatste deel van dit artikel.
Let op: hoewel alle TL-922A versterkers mechanisch gelijk lijken, zijn ze dat elektrisch gezien niet! Als de roosters direct geaard worden, is het ontwerp in feite veranderd en soms gaat de PA zelfoscilleren blijkt mij uit verschillende reacties. Dat kan verholpen worden door de afmeting van de parasietstoppers (experimenteel) te wijzigen.
|
In mijn TL922 werden in eerste instantie alle roosters met 3 × 220pF naar één punt geaard. Dat punt is ook met een draad via een doorvoer aan VC1 verbonden. |
Mijn ervaring op HF is dat men beter de roosterpinnen met elkaar kan verbinden en dan alles via één punt naar het chassis te ontkoppelen. Vervolgens een draad aanbrengen van dat punt naar VC1. Op deze manier wordt een HF stroom gedwongen om maar langs één weg te gaan hetgeen ook weer de stabiliteit bevordert. Toen dat gedaan werd in een NEC CQ301 versterker met 2 × 3-500Z, was op slag alle instabiliteit verholpen. Bij een ander type versterker verbeterde het uitgangsvermogen op de 10 m band met 100 W!
De roosterpinnen met strips of dik draad met elkaar verbinden en alle ontkoppel condensatoren verplaatsen naar één punt, zodat ze daar parallel komen te staan. Eigenlijk ben ik een voorstander om de ontkoppel condensatoren te verwijderen en alle roosters direct met het chassis te verbinden. Als u dat doet verandert de ingangsimpedantie van de buizen en kan het nodig zijn om een aantal ingangscircuits opnieuw af te regelen op SWR = 1. De geringe capaciteit van de ontkoppeling (3 × 220 pF) per buis zorgt voor een wisselstroom tegenkoppeling waardoor de ingangsimpedantie anders is dan met een rechtstreekse verbinding aan het chassis.
Voor een verbeterde ontkoppeling op 80 m en 160 m van de anode smoorspoel, werd een extra condensator (1500 pF of meer fig») aangebracht en geaard op de doorvoer. Om dezelfde redenen kwam meer ontkoppeling aan de smoorspoel voor de gloeidraden (rode cap. zie foto).
|
Dit is het uiteindelijk geworden. |
De 12 pF compenseert de capaciteit van de verwijderde C40 en C41. |

In een later stadium werd toch maar het oorspronkelijke plan gevolgd: de ontkoppel condensatoren verwijderen en alle roosters aan aarde leggen. Naar verwachting werkte het meteen goed en stabiel en was ook het uitgangsvermogen op een paar banden toegenomen tot 1250 W, zie de tabel verder in dit artikel. Ook werden L7, L8, R22 en R23 en componenten van het ALC systeem verwijderd. Dat laatste gebruik ik nooit, want hier wordt er steeds voor gezorgd dat een versterker nooit door een 100 W zender overstuurd kan worden. De draadsteunen werden gebruikt voor het monteren van de vernieuwde antennerelais schakeling dat verder in dit artikel staat. De Mosfet van dat systeem is als zwart vlakje te zien linksboven op de foto. Ter compensatie van de weggehaalde capacitieve spanningsdeler C40 en C41 werd een condensator van 12 pF geplaatst.
Als ik mijn versterker aanstuur met een 100 W draaggolf, dan is de roosterstroom op sommige banden meer dan 200 mA. Dat is niet erg voor de buizen want met SSB of CW is dat gemiddeld veel minder en voor zover ik dat kan nagaan, mag per buis de roosterstroom zelfs 150 mA worden. Het lineaire gedrag zal dan wel afnemen vermoed ik.


Het aanbrengen van tegenkoppeling verbetert het een en ander en bevordert bovendien de stabiliteit. Dat kan met («fig) een niet ontkoppelde inductievrije weerstand van 5 à 10 Ohm tussen C42 en de coaxkabel naar de bandschakelaar S6-2. Er is niet gemakkelijk en goedkoop aan zo'n inductievrije weerstand te komen. Echter met een behoorlijk aantal "gewone" 100 Ohm weerstanden parallel («fig) geschakeld, is de totale zelfinductie voor HF zo laag dat het verwaarloosd kan worden.
|
|
Een modificatie van een andere Japanner met het signaal op pen 1. |
Surfend op het internet vond ik op de site van JH2CLV een voor mij onleesbare tekst in het Japans, maar uit de tekeningen was duidelijk waarom het ging. Volgens de OM is het, gezien de mechanische constructie van de gloeidraad (fig») in een 3-500Z, beter om het een ander anders aan te sluiten. Op deze manier wordt het stuursignaal op de pennen nummer 5 aangeboden in plaats van bij de ene buis op pen 1 en bij de andere op pen 5. Het kan ook gaan over het verminderen van (50 Hz) brom tijdens een AM uitzending of dat met een "verkeerde" aansluiting, delen van de gloeidraad elkaar afschermen en zo de elektronenstroom afremmen.
Verder is het advies is niet eenduidig want op een andere Japanse site (foto) wordt het signaal aan de pennen nummer 1 toegevoerd. Aannemend dat de tekening van de gloeidraad een juist beeld geeft van de werkelijke mechanische constructie, ben ik geneigd om ook de pennen 5 als ingang van het signaal aan te merken. In de vorige foto is dat al in mijn TL-922 te zien.
Guido, ZL2VB (ex NL) schreef mij: ik heb de windingen op de 10 meter spoel aan de ingang vervangen door 3½ winding in plaats van 2½ winding. De regelbare kern had niet genoeg invloed op de zelfinductie om de SWR voldoende omlaag te brengen. Verhogen van de ingangscondensator was geen goed idee, want daardoor werd de bandbreedte kleiner. Met («fig) 3½ winding en een 120 pf condensator (C60), was het eindresultaat een bandbreedte van 24 – 30 MHz met een SWR = 1.15 aan de bandgrenzen.
In de versterker die hier nagekeken werd, was de SWR op 40, 80 en 160 m erg goed, op 15 m minder en op 10 en 20 m slecht. Houdt er rekening mee, dat bij het vervangen van buizen, ten minste op de hogere banden de circuits opnieuw afgeregeld moeten worden op een zo laag mogelijke SWR. Na deze operatie was in mijn eigen versterker alleen op 80 m de SWR onbevredigend, zie het volgende.
Het viel op dat in twee TL922 versterkers het niet mogelijk werd om op de 80 m band de SWR aan de ingang goed omlaag te krijgen. Dat kan geen toeval zijn, kennelijk een ontwerp fout. Want ook het afregelen met variabele condensatoren in plaats van gemonteerde exemplaren gaf geen eenduidig resultaat.
Als aan het begin van de band een lage SWR bereikt werd, was dat aan het einde van de band weer slecht. Ook de lengte van de coaxkabel heeft (nog steeds) invloed op de SWR in alle bereiken. Op internet wordt ook gemeld dat wat bij de één goed resultaat geeft bij een ander slechter uitpakt. Ik wijt dat aan onder andere een onjuiste opstelling van een aantal componenten waaronder de filters aan de ingang (fig»). Ook hier is in feite een Faraday effect aanwezig en moeten de aardstromen een omweg volgen. Door het maken van een doorvoer samen met een centraal aardpunt in de vorm van een draad kan dat enigszins verbeterd worden. De draad gaat door het gat van een uitgeschroefd soldeerpunt (links). Het beste is om alle condensatoren van de filters te aarden aan deze draad. Voorlopig werd dat alleen gedaan voor 10, 15 en 80 m.
|
|
|
Na enig experimenteren werd voor 80 m qua SWR een beter compromis bereikt door van L10 2 windingen te verwijderen en een aantal capaciteiten parallel («fig) aan de oorspronkelijke condensatoren te plaatsen.
Het regelbereik van de kern was 2.7 – 3.2 µH en wordt 2.5 – 3 µH door het verminderde aantal windingen. Als u een andere zelfinductie wenst kan dat met de formule L (µH) = 9n² ÷ 1000 redelijk goed berekend worden. In de formule is "n" het aantal windingen.
Let op: in schema's staan voor C57 en C59 waarden van 120 pF of 220 pF vermeld. In mijn versterker was door de fabrikant voor C57 en C59 een 120 pF condensator gemonteerd!
MET 2 m COAXKABEL SWR < 1.5 (ook op 12 & 17 m)
De lengte van een 50 ? (RG58) coaxkabel tussen zender en versterker heeft sterke invloed op de SWR. Hier bleek dat het afregelen van alle filters met een kabellengte van ongeveer 2 m voor alle banden de laagste SWR opleverde. Dat was ook gunstig voor 12 en 17 m, want als met beide banden gezonden werd met de bandschakelaar op 15 m, dan kon maximale output (1000 à 1100 W) bij laagste SWR verkregen worden.
Toen met een latere wijziging alle roosters aan massa verbonden werden, bleef de SWR vrijwel hetzelfde en ging zelfs op een paar banden omlaag. Alleen op de 12 m band werd het slechter. Voor een lagere SWR is het dan beter om op die band te zenden met de bandschakelaar in de 10 m stand.
Belangrijk. Het input netwerk zit naar mijn mening op een verkeerde plaats en daarom blijkt in de praktijk dat elke TL-922A anders afgeregeld moet worden. Regel dus het inputcircuit af met een coaxkabel tussen zender en PA en gebruik daarna ook steeds dat uitgekozen stukje coaxkabel bij het zenden.
VOEDINGSSPANNING EN RUSTSTROOMINSTELLING
De trafo's in de voeding kunnen met onze huidige ongeveer 228 V netspanning alleen maar geschakeld worden voor 220 VAC en 240 VAC. Als u kiest voor de 220 V montage, dan komt er wat meer vermogen uit, maar dan hebben de buizen een te hoge ± 5.3V gloeispanning. Daarmee wordt de levensduur van een 3-500Z behoorlijk verkort. Kiest u voor aansluiting op de 240 V taps, dan hebben de buizen wel een juiste gloeispanning van 4.85 – 4.95 V, maar een te kleine ruststroom. Dat kunt u corrigeren (fig») door 4 × 3 A diodes in serie, parallel te schakelen aan D2 (7.5 V). Afhankelijk van het type buis kan dat er meer of minder zijn.
Omdat beide buizen in een TL-922 onder vrijwel dezelfde condities werken als in een Drake L-4B versterker, kan men zonder problemen de vermelde ruststroom volgens de tabel ook gebruiken voor een TL-922. In mijn exemplaar heb ik dat met 2 × 3-500ZG (RF PARTS) ingesteld op ongeveer 190 mA. Overigens vond ik in mijn archief nog een Eimac datablad over 3-500Z en daarin stond een ruststroom van 115 mA per buis.
D2 kan defect raken door vonkoverslag in een buis of door teveel kathodestroom. Als de zenerdiode doorslaat kan men hem verwijderen of als doorvoer («fig) gebruiken voor een serie nieuw aan te brengen diodes.
Bij een andere TL-922 had de vorige Duitse eigenaar zenerdiode D2 met alle mechanische componenten verwijderd en 10 diodes in serie geschakeld. Het een en ander was nogal knullig en mechanisch onstabiel "geknutseld". Daarom werd alles overgedaan door (fig») twee draadsteunen in twee vrijgekomen schroefgaten te plaatsen om 4 × 3A diodes (1N5408) in serie te monteren. Dat geringere aantal was nodig omdat tegelijkertijd de netspanning op de 240 V taps van de trafo's overgezet werd. De russtroom werd daarmee ongeveer 220 mA/2400 V.
Om vergissingen te voorkomen en de bedrading overzichtelijk te maken, verwijderen sommige van ons zoveel mogelijk draden van de trafo's en laten alleen de aansluitingen voor 220 of 240 Volt op hun plaats zitten. Dan kan men eventueel de HV trafo bedraden voor 220 V en de gloeistroom trafo voor 240 V.
|
|
|
Als een transceiver deze versterker aanstuurt moet de set een spanning van 80 – 100 V aan kunnen om het zend en ontvang relais te schakelen. Veel moderne apparaten zijn daar niet meer geschikt voor. Daarom werd het grotendeels aangepast volgens mijn modificatie voor een SB-200. Een zender hoeft dan maar ongeveer + 1.5 V/200 µA te schakelen zodat veel moderne transceivers als voorzet gebruikt kunnen worden. Het systeem wordt nog in de PA getest, maar tot nu toe werkte dat goed. Alles kwam op de plaats (fig») waar eerder de componenten zaten van het verwijderde ALC systeem. De 2SK719 Mosfet uit mijn junkbox was vermoedelijk uit een oude monitor of uit een geschakelde voeding gehaald. Zijn eigenschappen Id = 5 A, Uds = 900 V, P = 120 W en Rds = 3 ? zijn in deze schakeling overdreven en een type met Id = 1A en Uds = 300 V zal wel voldoende zijn. Voor de transistor kan men een universeel type gebruiken en eventueel ook nog een piekspanning begrenzer over drain en source aanbrengen.
U ziet dat dit nieuwe systeem ook gebruikt kan worden voor versterkers waar al de (QSK) modificaties van Richard Measures AG6K aangebracht werden.
|
ZL2VB's modification. |
|
Guido, ZL2VB stuurde mij een schakeling uitgevoerd met comparator en transistor (Vce = 300 V, Ice = 500 mA). In zijn ontwerp had hij twee weerstanden van 4.7 k? op pin 3-5. Gezien de hoge impedantie aan de ingang van het IC heb ik op eigen gezag de weerstanden verhoogd naar 47 k?.
Beide ontwerpen werden samengesteld met beschikbare onderdelen uit onze junkbox, met andere type IC's of transistors is het misschien nodig om het een en ander aan te passen.
JH2CLV doet het weer anders voor een IC756 transceiver.
EXTRA HV RELAIS EN INSCHAKEL VERTRAGING
|
Een ongebruikt segment van S4 in actie. |
HV relais, volgens de fabrikant is het schakelvermogen: 10 mA/5 kV en 5 mA/10 kV |
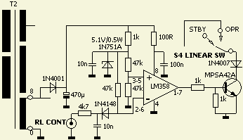
ZL2VB heeft mij erop gewezen dat de schakelaar S4 LINEAR SW een extra segment heeft, zodat nog iets anders gelijktijdig ingeschakeld kan worden. Dat had ik door de dikke draadboom ervoor nog niet opgemerkt. Deze vrije contacten worden nu gebruikt om bij STBY de hoogspanning naar de buizen met een extra HV relais te onderbreken. Als ik mijn domein tijdelijk verlaat, is dat als veiligheidsmaatregel en gevoelsmatig beter voor gezinsleden en eventuele andere onbevoegden. Merk op dat er bij de spanningsverdubbeling geen verbinding is met aarde of chassis.
Volgens de gegevens van de fabrikant mag het relais 10 mA/5 kV of 5 mA/10 kV schakelen. Omdat in dit systeem ongeveer 3 kV hoogspanning stroomloos geschakeld wordt, heeft het relais tot nu toe zonder mankeren gewerkt ondanks het langdurig afstemmen met 1250 W key down vermogen.
Een spanning voor een inschakelvertraging kan men het best betrekken van het gloeidraadsysteem. Als de versterker in komt, is de momentele weerstand van de gloeidraden minimaal bij maximale stroom. Dat laatste wordt tot een veilige waarde begrensd door een weerstand in serie met de lichtnetvoeding, want het relais komt nog niet op door een te lage spanning. Als de gloeidraden op temperatuur zijn, stijgt de spanning, wordt het relais bekrachtigd en de weerstand kortgesloten. Alles gebeurt in een fractie van tijd, dat voldoende is om gloeidraden en elco's van de HV voeding te beschermen.
Wanneer door een storing in de versterker het relais niet zou werken, moet de weerstand teveel verdragen en kan doorbranden. Om dat te voorkomen dient de trage zekering in serie met de weerstand. Eventueel kunt u één van beide zekeringhouders (F1, F2) voor de trage zekering gebruiken want twee smeltveiligheden als beveiliging voor de lichtnetspanning zijn niet echt nodig.
Een overzicht van alle wijzigingen in één schema. Tot nu toe werkt het naar tevredenheid.
![]() Relais 1 SIEMENS vacuüm relais: 26.5 V/335 ?, geschikt voor 8 kV/8 A bij 30 MHz. |
![]() ![]() Relais 2 ![]() |

Een eenvoudige maar effectieve wijze van monteren aan de aanwezige soldeerpennen.
De vorige eigenaar had een QSK schakeling van Richard Measures AG6K aangebracht. Dat werd anders gemonteerd, enige componenten veranderd en het "gewone" 12 V relais Rel2 met kunststof kapje ingewisseld met een sneller 26.5 V/700 ? luchtdicht type van HI-G Co. Een relais dat aan een militaire norm voldoet en vroeger uit een of ander apparaat was gehaald. Het VR311 relais werd door middel van in elkaar gedraaide montage draden aan twee bestaande soldeerpunten vastgemaakt (zie beide foto's). Een simpele maar effectieve methode die weinig plaats inneemt. Door het kleinere relais met één pin aan een soldeerpunt van het ingangscircuit te solderen, verkrijgt men samen met de andere bedrading een stevig zelfdragend geheel. Veel eigenaars zetten alles op een print waardoor verbindingen langer worden. Met de zelfdragende constructie is dat veel korter en de SWR tussen zender en doorgeschakelde versterker is op alle banden SWR = 1. Alleen is de SWR = 1.1 in het hoge gedeelte >29.5 MHz van de 10 m band, voorwaar geen slecht resultaat.
Aanvankelijk was ik niet zo tevreden met AG6K's QSK schakeling, maar na het vervangen van het tweede relais werkte alles perfect, ook met CW.
Het is nog mogelijk om beide 1.2 k? te vervangen door een constante stroombron schakeling of de FET als zodanig in te stellen, maar vooralsnog worden er geen andere wijzigingen aangebracht.
De dikke voedingskabel van deze versterker is lastig bij experimenteren of verplaatsen van het loodzware apparaat en de lengte van het snoer is door de fabrikant bepaald. Na enige aarzeling om de netjes uitziende lineair te "beschadigen", werd toch maar besloten om een Euro standaard aan te brengen. Dat doe ik bij vrijwel al mijn apparatuur en aanvankelijk werd verwacht dat boren, vijlen en zagen niet te vermijden was. Zonder de nodige demontage van bedrading en componenten zou dat een omvangrijke operatie worden.
|
Een setje met gatenponsen. Na passen en meten bleek dat een 3 cm gatenboor of gatenpons de gemakkelijkste methode was met weinig beschadiging en zonder demontage van componenten. Als u het zichtbare deel (fig») van het gat niet mooi vindt, kan dat met een zelf te maken zwart (kunststof) plaatje gemaskeerd worden. |
|
Zo'n gatenpons is er in diverse maten, maar een setje is voor een doe-het-zelver een uitkomst, zeker als men de prijs van één gatenpons vergelijkt met een complete doos. De laatste werd in de vorige eeuw gekocht toen dat nog betaalbaar was. Tot nu toe heb ik daar veel profijt van gehad.
Voor een stabiele en beveiligde versterker kunt u het beste de volgende minimale wijzigingen aanbrengen. Dan is uw versterker beschermd tegen vonkoverslag en wild oscilleren. Verder is het niet onmogelijk dat de versterker op een paar banden meer vermogen levert.
Uit eigen ervaring en diverse email berichten is gebleken dat in de praktijk een TL-922A niet bij iedereen hetzelfde "werkt". Dat komt volgens mij onder andere door een verkeerde plaats van het omschakelbaar bandcircuit aan de ingang. Daarom is het vrijwel onmogelijk om dat zodanig af te regelen dat de SWR onafhankelijk wordt van de lengte van de coaxkabel tussen set en PA. Ook spontaan oscilleren komt bij de een niet of slechts sporadisch voor en bij een ander regelmatig. Het is dus belangrijk om als bescherming eerst weerstand en zekering aan te brengen.
1. WEERSTAND & ZEKERING
Begin altijd eerst met de direct hierna volgende modificatie met weerstand (10-22Ohm/1 W) en zekering (1 A/snel) voordat u een 2dehands versterker in bedrijf stelt. Dat kan u een hoop ellende met defecte buizen, doorgebrande smoorspoelen en nog veel meer rottigheid besparen.

Zo werd het in een andere TL-922 gedaan en de weerstand (fig») werd met secondenlijm vastgezet.
Bij een TL-922 van een kennis heb ik weerstand (hier 10 ?/17 W) en 1 A snelle zekering anders gemonteerd dan in mijn eigen lineair. Als de zekering doorpiept, wordt de hoogspanning bij het openen van het deksel weer veilig naar aarde kortgesloten. De print zekeringhouder werd aan de pen van de HV doorvoer gesoldeerd en aan een holnietje in een strookje printplaat waarvan het koper verwijderd was. Het strookje werd aan VC1 vastgemaakt met (fig») met één van zijn schroeven. Dat de beveiliging weer zijn nut heeft bewezen werd duidelijk toen één van mijn reserve buizen tijdelijk als vervanger diende. Bij een lage hoogspanning ging het goed maar toen dat verhoogd werd in de SSB stand, was er vonkoverslag en brandde de zekering door. Zonder de beveiliging was de buis kapot gegaan of nog erger door kortsluiting was er iets fout gegaan in de voeding. De "hoofdzekering" aan de achterkant is vaak te ruim bemeten en te traag om deze schade te voorkomen.
PE2B deed het weer anders en monteerde bovendien een beschermkapje of (Teflon buisje?) over de zekering. Men vraagt mij wel eens of er geen echte (10 cm) langere HV smeltveiligheid geplaatst moet worden. Dat kan men doen, maar dat hoeft niet want de weerstand beperkt een mogelijk vlamboog. Wat wel gebeurd is een versplinterde zekering als hij doorpiept en soms vindt men alleen gruis terug.
Daarom is het een goed idee van PE2B om een kapje of klemmend buisje aan te brengen. Ook PD0BIA nam een dergelijke maatregel.
2. ROOSTERS DIRECT AARDEN
Let op: hoewel alle TL-922A versterkers mechanisch gelijk lijken, zijn ze dat elektrisch gezien niet! Als de roosters direct geaard worden, is het ontwerp in feite veranderd en soms gaat de PA spontaan oscilleren blijkt mij uit verschillende reacties. Dat kan verholpen worden door de afmeting van de parasietstoppers (experimenteel) te wijzigen.
LET OP
|
Verwijder alle componenten van de roosterpennen en aard slechts één pen per buis. |
|
Verbindt een draad van massa VC1 naar één («fig) roosterpen. |
Een paar jaar na de eerste modificaties bedacht ik dat de 3 pennen (2,3,4) van het stuurrooster naar hetzelfde punt in een buis gaan en dat het uitwendig met elkaar verbinden naar mijn mening voor HF overbodig is. In de praktijk geldt de natuurwet van de minste weerstand of energie en een HF stroom zal de kortste weg kiezen. Het is dan maar de vraag of dat via één pen gaat of langs alle drie pennen. Daarom werden alle componenten van de roosterpennen verwijderd. Door maar één aansluiting per buis aan massa te leggen, kan de stroom ook maar langs één punt lopen en dat bevordert de stabiliteit van een buis in degelijke HF schakelingen is mijn overtuiging. Op de foto's boven en onder ziet u dat het idee door mij aangebracht werd in een andere TL-922.

3. VC1 AARDEN BIJ ROOSTERPEN
Verder werd van maar één buis een geïsoleerde draad van de desbetreffende pen getrokken naar het aardpunt van de tuning condensator VC1.
Zie ook de bovenstaande afbeeldingen en foto's.
4.PARASIET STOPPERS VERVANGEN
|
|
|
|
Ook in deze versterker waren de parasiet stoppers gebarsten. Onder andere een teken dat er wild oscilleren heeft plaats gevonden en de stoppers niet effectief waren. Haarpin parasiet stoppers werken ook goed («fig) met één weerstand en dat werd in deze versterker nog eens getest en bewezen. De totale lengte van de draad is gelijk aan een eerdere stopper, alleen het open einde van de haarpin werd iets wijder genomen om goed te passen tussen buis en smoorspoel.
PE2B verving de weerstanden eerst door mooie kool typen van 56 Ohm/3 W, maar zij knalden er zo hard uit dat de buren vroegen of hij vuurwerk aan het afsteken was. Daarna monteerde hij een achttal niet reflectievrije weerstanden parallel. Kennelijk is door het parallel systeem de zelfinductie zodanig verminderd, dat het geen probleem meer vormt. Zijn ervaring kan een uitkomst zijn voor nabouwers die niet aan behoorlijke inductievrije weerstanden kunnen komen.
5. TEGENKOPPELING(2)
Zoals eerder werd vermeld, niet alle versterkers werken hetzelfde en het is niet onmogelijk dat na het aanbrengen van deze modificaties uw versterker toch nog instabiliteit vertoont. Gelukkig heeft u eerst de weerstand en zekering aangebracht en zijn buizen en HV voeding beschermd, toch?
Bij mijn eigen versterker en de apparaten die ik voor een paar anderen veranderd heb, was alles stabiel na het aanbrengen van deze modificaties. Echter PE2B meldt uit Curaçao dat bij hem de versterker pas onvoorwaardelijk stabiel werd door (fig») een 8.2 Ohm tegenkoppel weerstand aan te brengen. Zie ook tegenkoppeling(1) eerder in dit artikel.
De neiging tot oscilleren kan ook onderdrukt worden door nog te experimenteren met het formaat van de haarpin parasiet stoppers.
6. JUISTE SPANNING GLOEIDRADEN
De gloeidraad heeft een te hoge spanning (> 5V) als ons (huidige) elektriciteitsnet aangesloten wordt op de 220 V taps van de voedingstrafo. Het moet dus op de 240 V taps of de te hoge spanning moet verminderd naar 4.85-4.95 V worden door geschikte weerstanden in serie met de gloeidraden te monteren.
De versterker werkte na de modificaties vooralsnog net zo goed en stabiel als mijn eigen apparaat.
Uit binnen en buitenland kreeg en krijg ik nog steeds veel reacties over deze modificaties. Men is tevreden over de toegenomen stabiliteit, bescherming tegen vonkoverslag en menigeen rapporteert zelfs dat op sommige banden er ongeveer 100 W meer vermogen uit komt.

Op een Italiaans forum had IW1PUR over de modificaties gelezen en na het aanbrengen schreef hij dat oscillaties gestopt waren en de lineair nu perfect werkt.
![]()