TB3/750 FRINEAR 750
Universele HF versterker met actief ingangscircuit, geschikt voor vele types triodes en tetrodes.
For Eng version click on flag. ![]()
Gepubliceerd in RSGB's RadCom van december 1998.
26-jul-2016
|
TB3/750 op ware grootte, buis altijd rechtop monteren! |
FRINEAR-750 en een gemodificeerde FL-1000. |
INLEIDING
|
Het eerste ontwerp.
Het uitgebreide ontwerp. |
Deze versterker met een buis in een geaarde rooster schakeling, is universeel opgezet om meer dan één type zendbuis te kunnen testen en gebruiken. Zelfs met een betrekkelijk lage anodespanning (± 1700V) en een geschikte buis kan ruim 400 W gemaakt worden. Dat werd getest in een omgebouwde Yaesu FL1000 (fig»). Een TB3/750 kwam in de plaats van vier Amerikaanse lijnuitgang buizen. Daarna werd een tweede versterker (FRINEAR-750) gebouwd met meer anodespanning (± 2200V). Beide lineairs werden op mijn verzoek door de voormalige RDR getest en goedgekeurd.

Links de originele FL1000 en rechts het omgebouwde exemplaar met één buis en spanningsverdubbeling.

De gloeistroom trafo werd veranderd voor 5 volt gloeispanning.

De frontplaat werd aangepast en rechtsonder kwamen 2 knoppen (tuning en loading) voor het afstembare circuit van de ingang.
Het verzamelen van de nodige onderdelen is tegenwoordig een hele prestatie omdat ook op vlooienmarkten het aanbod is afgenomen. Een Engelse producent van versterkers LINEAR AMP UK, peter@linearampuk.u-net.com , adverteert dat zij alles kunnen leveren voor een zelfbouwproject, inclusief een professionele kast.
BUIZEN
Er zijn veel triodes, tetrodes en zero-bias triodes in oploop bij zendamateurs en door het lenen of geven van buizen hebben zij het voor mij mogelijk gemaakt om er uitgebreid mee te experimenteren.
|
|
«TB3/750, 3-500Z» |
De tweede versterker met ongeveer 2200V hoogspanning. |
De volgende typen:
CV2131, RS686, Q450-1, TB2,5/300, TB3/750, TB4/1250, QB3/200, QB3/300, QB3,5/750, QB4/1100, QY4-250, 5D22, 3-500Z, 4-250A, 4PR400A, 6155, 8802 en GI-7B, werden met succes in de twee omgebouwde of zelfgebouwde eindtrappen getest.
|
GI-7B testen in de tweede versterker. |
Dit ontwerp blijkt ook geschikt te zijn voor de tegenwoordig populaire Russische keramische triodes («fig) zoals GI-7B, GS-31B en GS-35B(GS-7B).
Buizen die met ongeveer 1700 V en 50 W input in staat zijn om 400 W te leveren, zijn: TB3/750, TB4/1250, 3-500Z en 8802. Met meer dan 50 W sturing geven de CV2131, RS686, QB3.5/750, QB4/1100, Q450-1 en QY4-250 dat ook. De Amerikaanse tetrodes van EIMAC, 4-125A, 4-250A en 4-400A kan ik niet aanbevelen omdat zij minder presteren dan de Europese equivalenten, bovendien neemt hun versterking geleidelijk af in het 10 – 20 m gebied. Alle testresultaten zijn als tabellen verderop in dit artikel verwerkt, zodat u een indruk kunt krijgen wat een goede gebruikte of nieuwe zendbuis kan presteren.
Sommige 3-500Z's van Eimac/Varian zijn niet goed gemaakt. De puntlas bevestiging van de anode aan de topaansluiting laat geleidelijk los. De anode gaat scheef hangen en veroorzaakt een kortsluiting met het rooster. Zo'n defect is o.a. voorgekomen in Heathkit SB-1000 en AEA LA-30 eindtrappen. Een zeer goede vervanger voor de 3-500Z is een 8802 met grafietanode van Amperex. Zij leveren ook een 3-500(ZG) met 18 maanden garantie. Het zal mij niets verbazen als 8802 omgenummerd werd naar 3-500(ZG).
Ook heb ik de kans gehad om 2 × 3-500(ZG) van RF Parts USA te testen met 1500 W output. Zij lijken mij zeer robuust en de eigenaar is nog steeds tevreden. Volgens diverse bronnen kan een buis met een grafietanode probleemloos 20% meer vermogen leveren dan hetzelfde type met metalen anode.
Mijn eigen buizen gekocht op vlooienmarkten bleken niet optimaal te zijn. Bij zo'n gelegenheidsaankoop is de emissie helaas niet te controleren. Door tegen de buitenkant te kloppen is tenminste gedeeltelijk de conditie te bepalen. Als u met het oor tegen het glas een duidelijk 'gerinkel' hoort, koop dan niet.
Vele zendbuizen mogen alleen rechtop gemonteerd te worden. Uit ervaring kan ik bevestigen dat een werkende buis inderdaad door een horizontale stand onherstelbaar beschadigd kan worden. Zelfs het even op zijn kant zetten van een werkende lineair, voor meten of afregelen, kan tot defecten leiden. Kantel een lineair met buis pas een tijdje na het uitschakelen of meet eraan als hij onderste boven staat.
BUIS REACTIVEREN OF REFORMEREN

Ter voorkoming van vonkoverslag in een nieuwe of lange tijd niet gebruikte buis, is het verstandig om hem voor te bereiden (reactiveren) op zijn taak. Hij moet door verwarming "op gang" gebracht of "ontgast" worden om kathode en vacuüm te optimaliseren. Een residu van gassen wordt verwijderd of geabsorbeerd en de kathode herkrijgt zijn optimale emissie. Als dat nagelaten wordt, bestaat er meer kans op vonkoverslag (flash-over) tussen de anode en de andere aansluitingen. Dat kan een (blijvende) beschadiging van kathode, gloeidraad en roosters tot gevolg hebben. Beschadiging van een buis kan ook de oorzaak van vonkoverslag zijn en verder is een verminderd zendvermogen mogelijk, waardoor men denkt dat een buis versleten is. Nog niet meteen weggooien dus!
Door oververhitting van metalen delen ontstaan metaaloxides en komen ongewenste gassen vrij en die het vacuüm verpesten. Dat is vast te stellen door de buis rechtop te houden, men ziet dan een hoeveelheid gruis of nog grotere deeltjes op de bodem liggen.
Het reactiveren gaat het gemakkelijkste door verwarming in de versterker. Stel de anodespanning buiten werking en warm de buis gedurende ongeveer een uur op met alleen de gloeispanning aan en ventilator uit. (Opgepast: bij veel keramische buizen moet de ventilator aan blijven). Herstel daarna HV en laat de buis ten minste een uur lang (met ingedrukte PTT schakelaar) niet meer dan de opgegeven russtroom trekken. Belast tijdens dat proces de uitgang met een kunstantenne (dummy load) om eventueel oscilleren te voorkomen. Na deze behandeling kan met ingeschakelde hoogspanning en ventilator voorzichtig sturing gegeven worden.
Als alles stabiel blijft mag het stuurvermogen geleidelijk verhoogd worden tot de opgegeven waarde en kan men vast stellen of de vereiste maximale stroom al gehaald wordt. Is dat niet zo dan de opwarmperiode met ruststroom verlengen.
Op internet vindt u allerlei ingewikkelde, kleurrijke, omslachtige en langdurige procedures om hetzelfde resultaat te bereiken, maar probeer het volgende eens.
Meestal gebruik ik een in de praktijk bewezen minder kritische en veiliger methode waarbij een buis tijdelijk als diode geschakeld wordt. Door alle roosters met de anode (fig») te verbinden vermindert de inwendige weerstand van de buis aanzienlijk zodat met een lage gelijkspanning toch veel anodestroom opgewekt wordt. Eerst wordt de buis gedurende een uur opgewarmd met de gloeispanning aan. Daarna komt een regelbare gelijkspanning erop en door voorzichtig opvoeren stelt men de maximale toegestane anodestroom in.
GEAARD ROOSTER
Om het vermogen van een moderne all-band transceiver optimaal te gebruiken is een versterker met het rooster aan aarde, een grounded grid (GG) linear, het meest geschikt. Voor dit type versterker is een stuurvermogen nodig van 30 tot 100 W. Daarvan is ongeveer 60 % nodig om een buis aan te sturen en de rest van de aangevoerde energie gaat door de buis naar de anode.
Het geaarde rooster schermt de anode af van de kathode en reduceert de anode kathode capaciteit, waardoor bij een goede constructie een stabiele schakeling ontstaat. Van diverse tetrodes werden alle roosters aan aarde gelegd. Deze oneigenlijk geschakelde buizen, niet alle typen zijn daarvoor geschikt, hebben een lagere versterking dan triodes bij dezelfde voedingsspanning. Let erop dat bij deze methode de toegestane stuurrooster stroom gemakkelijk overschreden kan worden. Wil men meer vermogen met tetrodes dan is een hogere spanning nodig.

Ingangscircuit met triode of tetrode. Het rooster is voor HF "geaard" door een 4.7 nF condensator.
VARIABEL OF AFSTEMBAAR INGANGSCIRCUIT
De ingangsimpedantie van een GG schakeling ligt in de orde van 50 tot 300 Ω. In dit ontwerp is het afstembare ingangscircuit geschikt voor een stuurvermogen van maximaal 100 W. Het is universeel en kan, met een vijfstanden schakelaar met twee moedercontacten, de vermelde buizen of equivalente typen op alle banden afstemmen op een SWR = 1.
|
Voordelen afstembaar ingangscircuit: |
|
De set is altijd correct belast |
|
Harmonischen worden beter onderdrukt |
|
Het lineaire gedrag verbetert |
|
Een buis levert meer vermogen |
|
Gelijke output op alle banden |
|
Ook andere buizen types zijn mogelijk |
Om het flexibel te houden is afgezien van het simultaan schakelen met het uitgangsfilter. Om dat mechanisch uit te voeren is vaak een behoorlijk probleem voor veel zelfbouwers. Deze ingebouwde "tuner" neemt niet zoveel plaats in vanwege de ringkernen en de kleine variabele condensatoren van ongeveer 1000 pF (330 + 360 + 360 pF).
De goede werking wordt niet nadelig beïnvloed als een («fig) coaxkabel van buisvoet naar ingangscircuit niet langer is dan 25 cm. Het is dan mogelijk om de ingangskring op voldoende afstand van het uitgangscircuit op een geschikte plek bij de frontplaat te monteren. Bovendien kan men dan eerst met een buitenboord circuit experimenteren en afregelen voordat een definitieve inbouw gedaan wordt.
Kleine meervoudige variabele (fig») condensatoren worden nog geregeld aangeboden op vlooienmarkten. Grotere typen liggen vaak nog ongebruikt in andermans rommelbak. Biedt zo'n amateur (op leeftijd) een paar dikke sigaren of een fles whisky aan en als hij daarvan aan het genieten is, duik dan in zijn geheime voorraad. Tien tegen een dat hij dan zegt: " Ach ik gebruik het toch niet, neem maar mee". Verder zult u verbaasd zijn hoe vaak u iets krijgt als men ervan overtuigd is dat het in zelfbouw project gebruikt wordt. Lukt het u niet om iets in de orde van 1000 pF variabel te vinden, dan moet u zelf aan de slag met een kleiner (tweevoudig) type.
De schakelaar zal dan meer standen of dekken moeten hebben om het vereiste afstembereik te krijgen. De stand van de bandschakelaar voor de beste aanpassing van het ingangscircuit moet proefondervindelijk gevonden worden. Kies de instelling waarbij zoveel mogelijk spoel in bedrijf is. De 40-, 20-, en 10 m standen zijn respectievelijk geschikt voor de bereiken: 20 – 40 m, 12 – 30 m en 10 – 20 m. Een klein model Z-match met een extra bandschakelaar zal het ook doen. In dat systeem zitten variabele condensatoren van kleinere waarde.
Goede vaste condensatoren (1.5 nF en 3.3 nF) zijn 630 V styroflex typen met de dikkere draadeinden.
VAST INGANGSCIRCUIT
De meeste versterkers hebben een schakelaar waarmee een vast pi-filter circuit per band ingeschakeld kan worden. Zo'n ingangscircuit kunt u gemakkelijker afregelen met een stukje coaxkabel dat aan het einde bevestigd is aan een variabele condensator Ct. De capaciteit van de kabel wordt een deel van Cx, dus de gezochte en te monteren waarde Cx = Ct + Ckabel. Start in elke band met een vaste ingangscondensator C volgens de tabel en speel dan met Lx en Cx om een zo laag mogelijke SWR te verkrijgen. Als het niet lukt om SWR = 1 te bereiken experimenteer dan met een geringe verandering van condensator C en regel daarna Lx en Cx opnieuw af. Het moet mogelijk zijn om in het midden van iedere band SWR = 1 te verkrijgen. Elke verandering aan het uitgangsfilter in de anode veroorzaakt ook een wijziging van de SWR aan de ingang. Daarom moet U de ingangscircuits altijd afregelen met maximaal uitgangsvermogen (FM of CW) in een geschikte 50 Ω dummy load.
SWR INDICATOR
Een ingebouwde SWR brug of nulindicator helpt bij het afstemmen van het ingangscircuit. De ringkern (L9) in een afgeschermd doosje van b.v. printplaat monteren. De coaxkabel alleen aarden aan de kant van C6 («fig) en de binnenader door de ringkern voeren. Breng een afschermschot aan tussen de kern en de rest van de componenten. De 47 of 50 Ω weerstand moet inductievrij zijn. Men kan het beste twee weerstanden van 100 ? parallel schakelen. Afregelen gaat als volgt: belast het meetsysteem (zonder ingangskring) met een geschikte 50 Ω dummy-load en voer eerst laag vermogen toe. Als de meter ver uitslaat, de aansluitingen van de ringkern omwisselen. Met de trimmer afregelen op minimale meteraanwijzing in de 10 m band, daarna met 100 W herhalen.
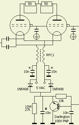
GLOEIDRAAD CIRCUIT
De buizen hebben een direct verhitte gloeidraad als kathode. De grotere broers verbruiken 14 à 14.5 A bij 5 volt. Sturing geschiedt op de gloeidraad (is ook kathode) dat voor HF geïsoleerd wordt door smoorspoel RFC1. In sommige versterkers van o.a. Harris laat men hem weg omdat de gloeistroom transformator als smoorspoel werkt.
|
|
|
RFC1 is zelf te maken met een ongeveer 1 cm dikke ferriet staaf van minimaal 10 cm lengte uit een AM radio. De smoorspoel ziet u («fig) onder de buisvoet. Zo'n staaf wikkelen met twee geïsoleerde draden parallel (bifilair) van ten minste 1.8 mm doorsnede. De bereikte zelfinductie is zelfs voor de 160 m band voldoende. Met dikker draad kunt u beter een langere staaf nemen of een aantal ferriet staven bundelen. De smoorspoel wordt ook door mij als gelijkstroomweerstand gebruikt om de stroomstoot door het inschakelen te beperken. Daarom is de staaf voorzien met maar 1,8 mm dik draad.
Vaak ziet men in schema's een gloeistroom trafo met een aftakking in het midden om eventuele modulatie met de 50 Hz netspanning te verminderen. In deze versterkers is dat eigenlijk niet nodig, want eventuele brom is door het tegenstation niet waar te nemen. Een kunstmatig middelpunt is te simuleren met twee laagohmige weerstanden of goedkope 3A diodes 1N5408 (fig»). In mijn versterker werden twee diodes aangebracht.
GLOEIDRAAD TRANSFORMATOR
Een zendbuis is een kostbaar onderdeel en een zorgvuldige behandeling voorkomt overbodige slijtage. Over dimensioneren is gewoonlijk de oplossing. Dat geldt niet voor de gloeistroom transformator, die precies het juiste vermogen moet afgeven.
Een koude gloeidraad heeft bijna geen weerstand en een transformator met een kleine inwendige weerstand levert dan kortstondig teveel stroom. De gevolgen kunnen funest zijn: de gloeidraad gaat kapot of door het sterke geïnduceerde magnetische veld in de buis kunnen gloeidraad en roosters gedeformeerd worden. Anode, roosters en gloeidraad komen te dicht bij elkaar of er ontstaat een kortsluiting. Beide zijn een permanente beschadiging.
Met een transformator van te groot vermogen kan men beter een of andere vorm van inschakelvertraging toepassen. Schema A heeft het voordeel dat het niets uitmaakt in welke volgorde de schakelaars S2 en S3 bediend worden, want steeds zal eerst een 10 Ω weerstand ingeschakeld zijn. Vergeet niet bij het uitschakelen van de voeding om ook beide schakelaars terug te zetten. Het schema B is toegepast in mijn externe HV voeding dat bij experimenten of reparaties van lineaire versterkers gebruikt wordt.
Voor een lange levensduur is het verstandig om de gloeispanning wat lager te kiezen. Meet met een digitale meter de spanning direct op de pinnen van de buisvoet. De fabrikant geeft dikwijls als advies 5 V + 5 % en -10 %, kies voor 4.8 – 4.95 V. Door een extra weerstand in de primaire van de transformator op te nemen is dat bereik in te stellen als u rekening houdt met de variatie van de netspanning. De gloeistroom trafo moet dan wel iets meer dan de nominale spanning kunnen afgeven. Hoe lager de gloeispanning is beneden de 5 V of 10 V, des te langer er gewacht moet worden om na het aanzetten, HF energie aan de buis toe te voeren. Door de lagere spanning heeft de gloeidraad wat meer tijd nodig om op temperatuur te komen. Dit advies geldt ook voor buizen zoals de 3-500Z die snel op temperatuur komen. Neem tenminste één minuut wachttijd.
RUSTSTROOM (± 60mA)
De ruststroom van een buis bepaalt in welke klasse er gewerkt wordt. Weinig of nog net geen stroom is klasse B en veel stroom is klasse A; de lineaire werking neemt daarbij toe, maar het rendement neemt af. Voor SSB wordt meestal gekozen voor klasse AB2 met ruststroom en een geringe stuurrooster stroom omdat het een goed compromis is tussen ongeveer 60% rendement en lineair gedrag. Zelf kies ik voor wat meer ruststroom omdat de buizen hier niet op hun tenen lopen en de hogere dissipatie valt dan nog binnen de specificaties.
De ruststroom van ongeveer 60 mA wordt hier ingesteld door een zenerdiode in het gloeidraadcircuit. De stroom gaat door buis en diode en zorgt voor positieve spanning ten opzichte van massa. Dat is voor het rooster een negatieve spanning ten opzichte van de kathode & gloeidraad. De negatieve spanning is sterk afhankelijk van de aangelegde hoogspanning: bij 1700 V ongeveer 2 × 27 V en bij 2500 V ongeveer 2 × 47 V etc.
De diodes moeten geschikt zijn voor een groot vermogen.
Als rekenvoorbeeld dient een TB3/750. De instelling van deze buis is -95 V bij 2500 V anode spanning. Met een maximale kathodestroom van 0.5 A, verwerkt de diode 0.5 × 95 = 47.5 W. Dat kan alleen met een flinke diode op een koelblok. Zulke diodes zijn duur en niet altijd gemakkelijk te verkrijgen.
Een billijke oplossing is een tot power zenerdiode getransformeerde 2N3055 (fig») in combinatie met een goedkope 1 W zenerdiode. In het schema zijn dat T1 en T2, beide met hun eigen zenerdiode. In plaats van twee transistors kan ook één transistor met een hogere collector emitter spanning gebruikt worden. Uit ervaring blijkt echter dat twee stuks op een koelblok gemakkelijker en beter hun warmte kwijt kunnen dan één enkele transistor. Verder heeft iedereen wel een paar 2N3055'ers liggen of kan er aan komen, daarom is voor deze goedkope en praktische oplossing gekozen.
De effectieve anodespanning van de buis is de hoogspanning minus de spanning over de zenerdiode. In het voorbeeld met TB3/750 is dat 2500 V – 95 V = 2405 V voor de anode.
|
Geen zenerdiode in de kathode nodig bij buizen zoals QB3/300, QB3.5/750 en 3-500Z. |
Dit ontwerp werd gemaakt om triodes en tetrodes op hun bruikbaarheid te testen en daarom kan de negatieve spanning ten opzichte van het rooster met een schakelaar S4 in- of uitgeschakeld worden door twee 2N3035 transistors kort te sluiten. Heeft men dat niet nodig laat dan is de schakeling met beide transistors en bijbehorende componenten weg zoals dat in het schema («fig) hiernaast is gedaan. Tot 3000 V anodespanning hebben tetrodes geschakeld als triode (b.v. QB3/750) en zero-bias triode (b.v. 3-500Z) geen extra negatieve spanning nodig voor het instellen van de ruststroom. Afhankelijk van het type buis en 1500 – 3000 V anodespanning loopt er een ruststroom van ongeveer 10 – 60 mA. |
ROOSTERS AARDEN EN ONTKOPPELEN
Mijn ervaring is dat parasitair oscilleren en andere verschijnselen van instabiliteit meestal het resultaat zijn van verkeerd of onvoldoende aarden en ontkoppelen. Vooral steile buizen vergen een uitgekiende schakeling. In dit ontwerp is zoveel mogelijk gedaan om een stabiele werking van de zendbuis te garanderen. In de literatuur wordt onvoldoende aandacht besteed aan een goede ontkoppeling van de anodesmoorspoel en het aarden van de anode afstemcondensator.
De drie roosterlippen van de buisvoet werden door brede koperen strippen met elkaar verbonden. Dat verbetert HF geleiding en bevordert de noodzakelijke koeling van de buispinnen. Slechts één van die lippen wordt geaard met een 4.7 nF condensator naar chassis of bodemplaat. Het aardpunt van die condensator is het centrale punt voor het aarden en ontkoppelen van de andere componenten.
Isoleer zo mogelijk de tuning condensator van het chassis.
Monteer in ieder geval («fig) een extra aarddraad van het aardcontact of het frame van deze condensator via de getekende lijn naar het centrale aardpunt. In veel versterkers zit de buis in een min of meer afgeschermd gedeelte.
|
Directe en korte verbinding van de condensator naar het gemeenschappelijke aardpunt bij de buis onder het chassis. |
In de tekening en op de foto ziet men dat ook in fabrieksapparaten de buis(voet) in een kooi van Faraday zit. Het aardpunt van condensator is dus afgeschermd van het aardpunt van de buis en HF stromen zijn gedwongen een langere weg te kiezen. Na het aanbrengen van de extra verbinding zal met de variabele condensatoren van het uitgangscircuit een andere stand gevonden worden voor maximale output. Een bewijs dat impedanties veranderd zijn en de stroom een kortere weg heeft gekozen. De draad moet geïsoleerd door het gat gevoerd worden. Het ontbreken van deze (extra) verbinding is vaak de oorzaak van instabiliteit en reductie van vermogen op de hogere banden. Na het aanbrengen van zo'n kortere verbinding in een AEA LA-30-versterker kwam er op de 10 m band ongeveer 80 W meer uit!
ANODE SMOORSPOEL
De anodesmoorspoel RFC2 is met 4.7 nF ontkoppeld naar aarde, maar een nog betere ontkoppeling kan via een stuk coaxkabel, RG52 voor 2000 V en RG213 voor 5000 V, naar het aardpunt van het rooster. De binnenader en de afscherming staan parallel aan 4.7 nF. Zo wordt als het ware de ontkoppelcondensator via de kabelcapaciteit verlegd naar het aardpunt van de buis. De afscherming van het stukje coaxkabel is aan beide uiteinden zo dicht mogelijk bij de smoorspoel en het rooster geaard.
Een spoel (RFC2) in één laag gewikkeld geeft de minste problemen. In een Henry 2K (fig») lineaire versterker zit bij voorbeeld ook een éénlaags anodesmoorspoel.
Gebruik bij het zelf maken bij voorkeur een hittebestendige spoelvorm met een doorsnede van 2 à 2,2 cm. Leg over een lengte van 5 cm een wikkeling aan van 0,3 mm zonder spatie. De draad kan van een gesloopte transformator zijn.
De spoel wordt ongeveer 180 μH en is geschikt voor 10 tot en met 160 m. Bevestig geen beugels te dicht naast de uiteinden van de wikkeling, want zij werken als kortsluitring. Bent u gek op vuurwerk, negeer dan mijn advies.

Sluit begin en einde van een smoorspoel kort en controleer met een dipper of er geen resonanties in de amateur banden zijn. In beide afgebeelde smoorspoelen was dat na het testen in orde, maar in bedrijf bleek dat op 12 m de output minder was dan op de andere banden. Na montage in de versterker was een flauwe dip in die band ontstaan door nabij liggende componenten. Aan het boveneinde is toen over 1 cm het draad verwijderd en 0.5 cm verder opnieuw erop gewikkeld. Dat is op de foto goed te zien. Na deze operatie was alles OK op alle banden.
De zelfinductie van RFC2 hoeft eigenlijk niet zo groot te zijn.
De factor k = 1.87 in de volgende formule is hier door veel experimenten, meten en berekenen vastgesteld voor SSB en CW modes.
Stel één buis trekt 0.5 A/1700 V of twee buizen parallel trekken samen 0.5 A/1700 V.
|
Met de formule |
Ra = Ua ÷ (k × Ia), (k = 1.87) |
|
wordt de ideale belasting voor de anode |
Ra = 1700 ÷ (1.87 × 0.5) = 1818 Ω |
|
Stel Q = 10, dan wordt de impedantie van de belaste anodekring: |
Za = 1818 ÷ 10 = 182 Ω |
|
De impedantie RFC2 die parallel staat aan Ra moet minstens 5 × groter zijn |
ZRFC = 5 × 182 = 910 Ω |
|
Dat is op de laagste band 1.85 MHz in μH |
RFC2 = 910 ÷ (2 π × 1.85) = 78.3 μH |
De gevonden 78.3 μH van de anodesmoorspoel is een minimum zelfinductie voor het bereik 10 t/m 160 m.
De waarde en vorm van de andere smoorspoelen in de anodelijn en parallel aan de uitgang, is niet kritisch; exemplaren uit een dumpapparaat kunnen na jaren bewaren alsnog ingebouwd worden.
De weerstand van 22 Ω in serie met de anodesmoorspoel biedt een goedkope en zeer effectieve bescherming bij kortsluiting of flash-overs. De zekering in de hoogspanning smelt door, maar de kortsluitstroom is gereduceerd. Buis, transformator en gelijkrichtdiodes blijven heel en de vlamboog over de zekering is beperkt. Deze weerstand en een zekering ontbreken in veel fabrieksmatige eindtrappen. Inspecteer uw versterker en monteer alsnog beide kleinigheden!

Men kan ook deze smoorspoel uit een fabrieksapparaat voor 10 - 160 m nabouwen door het aantal wikkelingen en spaties te tellen.
UITGANGSCIRCUIT
De koppelcondensator 2.2 nF (fig») van anode naar pi-filter is belangrijk. Hij laat HF wisselstroom door en voorkomt dat de hoogspanning het uitgangsnetwerk bereikt; een beveiliging dus. Neem daarom bij voorkeur een zo hoog mogelijke werkspanning en minimaal 1000 pF, meer is geen bezwaar. Redelijk courant op vlooienmarkten zijn 1 nF/10 kV. Zij zien eruit als blauwe of gele dikke schijven met aan elke kant een draad. Koop een paar extra, want het zijn ook goede ontkoppel condensatoren. Helaas zijn zij niet altijd nauwkeurig; een meting leverde waarden op van 820 tot 2200 pF! Hetzelfde overkwam mij met een variatie van 220 tot 500 pF bij een 470 pF Type.
De 270 pF variabele tuning condensator heeft een vrij grote maximum waarde, zodat alleen voor 160 m een 220 pF condensator extra erbij hoeft. Een nadeel is dat geheel uitgedraaid, de nulcapaciteit soms te groot blijkt te zijn voor een goed rendement met de 10 m spoel. Door de condensator op een tap van de spoel (L6) aan te sluiten, wordt de capaciteit die de buis ziet kleiner. Dat gaat omlaag evenredig met de plaats van de aftakking. Bij het doorbladeren van een geleend ARRL handboek van 1994, zag ik op blz. 15 – 21 dat u daar een goede uitleg en berekening van het verschijnsel kunt vinden. Zelf heb ik het idee dat het eerste gedeelte van de 10 m spoel ook een soort parasietstopper effect heeft.
Met een bandschakelaar (S2) van twee maal zes standen zijn alle HF banden af te stemmen. De taps op de spoelen zijn een zodanig compromis, dat er op alle banden een gelijkmatig uitgangsvermogen is in het bereik 400 tot 550 W.
Om ruimte te besparen gebruik ik al meer dan 30 jaar Amidon T200-2 ringkernen in de pi-filters van mijn zelfgebouwde versterkers en tegenwoordig wordt dat ook door fabrikanten van lineairs toegepast. Voor 160 m is dat hier gedaan met L8 en samen met L6 en L7 wordt de juiste zelfinductie voor die band bereikt. Het bewikkelen van de ringkern kan op meer dan een wijze: met Teflon geïsoleerd draad, de kern bedekken met Teflon tape of met de navolgende beschreven manier. Maak met een zeven gaten zaag (fig») twee ringen van epoxy printplaat waarvan het koper verwijderd is. Voor een T200-2 ringkern wordt de buitendiameter van de ring 55 mm en het gat 28 mm. Lijm met een paar druppels secondenlijm de beide ringen vast op de kern om het verschuiven bij het wikkelen tegen te gaan. Met deze methode kan men voor de kern zelfs ongeïsoleerd draad gebruiken en met 28 windingen wordt de zelfinductie 9.5 à 10 µH.
BEREKENING PI-FILTER
Stel de buis trekt 0.5 A/1700 V
|
Met de vorige formule |
Ra = Ua ÷ (k × Ia), |
|
wordt ideale belasting voor de anode: |
Ra = 1700 ÷ (1.87 × 0.5) = 1818 Ω. |
|
Een (kringkwaliteit) Q = 10–12 voor de afgestemde kring is een goed compromis voor: rendement, overdracht, onderdrukken van harmonischen en praktische waarden voor C en L. Voor 80 m nemen wij: |
Q = 10 |
|
De impedantie van de belaste anode kring is dan: |
Za = Ra ÷ Q = 1818 ÷ 10 = 182 Ω. |
|
De tuning-C (=Ct) draagt het meeste bij aan de kringresonantie. Resonantie vindt plaats als Ct een impedantie heeft van: |
Zct = 182 Ω. |
|
Omgerekend in pF wordt dat: |
Ct = 106 ÷ 2πfZct (in resp. pF, MHz, Ω). |
|
Voor 3.5 MHz wordt dat: |
Ct = 106 ÷ (2π × 3.5 × 182) = 250 pF. |
|
Dat is inclusief anode, bedrading en andere capaciteiten. Het circuit transformeert de anode impedantie: |
1818 Ω omlaag naar 50 Ω, |
|
dat is een impedantie verhouding van: |
1818 ÷ 50 = 36.36 |
|
en een capaciteit verhouding van: |
√36.36 = 6.03. |
|
De tweede C(=CL), meestal loading-C genoemd, heeft een waarde van: |
250(pF) × 6.03 = 1507 pF. |
|
Parallel over anodespoel L staat: |
Ra + Rload = 1818 + 50 = 1868 Ω. |
|
De belaste spoel met een Q = 10 ziet in resonantie een weerstand van: |
Rs = 1868 ÷ 10 = 186.8 Ω |
|
Omrekening naar zelfinductie geeft: |
L = Rs ÷ 2πf = 186.8 ÷ (2π × 3.5) = 8.49 µH. |
Let op! Meestal zet men spoelen van de anodekring in serie (fig»). Voor 80 m is een deel van de zelfinductie de in serie geschakelde spoelen van de hogere banden. In dit rekenvoorbeeld is op 40 m de zelfinductie in totaal ongeveer 4 µH. Voor 80 m komt daar dus bij een spoel van: niet 8.49 µH, maar 8.49 - 4 = 4.49 µH!Men kan redetwisten over de nauwkeurigheid van "mijn k = 1.87" in de formule Ra = Va ÷ (1.87 × Ia) bij de berekening van de ideale belastingsweerstand voor de anode. Stel uzelf de vraag wat voor waarde u in een berekening denkt in te voeren voor de bedrading capaciteiten. Deze geschatte waarde is waarschijnlijk nog meer een slag in de lucht dan de fout die ontstaat met mijn eenvoudige berekening. Genoemde formule is in ieder geval een goede leidraad bij het experimenteren met uitgangscircuits voor lineaire HF versterkers. Tegenwoordig wordt k = 1.8 aanbevolen in plaats van k = 2 of k = 1.5 in de oudere handboeken en dan is "mijn" k = 1.87 er niet ver naast.
Ook met minder output is nog een goede afstemming te verkrijgen, maar op de lagere banden vermindert het aanpassingsvermogen. Dat ziet men na bestudering van bijgaande tabellen. Per band is vast stellen welke schakelstand de het meeste zendvermogen. Bij een sterk afwijkende hoogspanning zal er met andere aftakkingen geëxperimenteerd dienen te worden. De spoelen L6 en L7 liggen in het verlengde van elkaar; de wederzijdse koppeling is te verwaarlozen als zij een paar centimeter van elkaar staan. In de meeste («fig) ontwerpen worden zij loodrecht op elkaar gemonteerd, maar dat is niet altijd beslist nodig.
PARASIETSTOPPER
Parasieten kunnen onderdrukt of voorkomen worden door voor de parasietstromen een obstakel (stopper) aan te brengen die haaks staat («fig) op de richting van de stroom. Dat kan in de vorm van een haarpin geleider en het werkt, zonder noemenswaardig verlies van het oorspronkelijke vermogen, bij frequenties die een veelvoud zijn van 100 MHz. De voornaamste taak is het creëren van een hoge impedantie in serie met het anodecircuit. Deze methode werkt alleen goed als de werkfrequenties en frequenties van de parasieten voldoende van elkaar af liggen, zodat er voor de werkfrequenties geen buitensporige weerstandsverliezen ontstaan. De stopper moet een zo laag mogelijke L/C verhouding hebben en ook voldoende gedempt worden om een breedband werking te verkrijgen.
Het dempen kan bereikt worden door parallel aan de haarpin een niet inductieve weerstand te schakelen en de haarpin te maken van slecht geleidend metaal. Een ruw of geprofileerd oppervlak geeft extra weerstand ten opzichte van een gepolijste of gepoetste geleider. De haarpin kan gemaakt worden van een nikkel legering draad c.q. strip of van vertind koper. De gelijkstroomweerstand hoeft niet meer te zijn dan een fractie van 1 Ohm.
|
|
|
|
Tussen anode en anode smoorspoel zit meestal een parasietstopper. In mijn ontwerp met één buis was het, mede door goed aarden en ontkoppeling, niet nodig om een parasietstopper in de anode aan te brengen. Bij een buis met een grote versterkingsfactor (3-500Z etc.) en als twee buizen parallel geschakeld worden, is het verstandig om wel parasietstopper te monteren. Het haarpin model van de afbeelding geniet mijn voorkeur.
Zo'n stopper is voor VHF een smoorspoel of stub met een inductievrije parallelweerstand. De weerstand is niet kritisch maar zorgt er alleen maar voor dat de VHF kring breedbandig wordt. Het oude type reflectievrije koolweerstand is bijna niet meer te koop, zoek er dus niet vruchteloos naar.
Gebruik een weerstand met een waarde van 22 – 100 Ω. Philips heeft nu kleine bruine inductievrije weerstanden van 22 – 470 Ω/3 W. De meeste elektronica winkels hebben het kleinere type 22 – 470 Ω/1.2 W in voorraad. Vraag dus naar het grotere type als ze "nee" verkopen of niet weten wat u bedoelt.
Monteer de weerstand niet in de spoel maar ernaast.
METEN, METER FRONTPLAAT
Bij het ontwerp is gedacht aan een goedkope 1 mA paneelmeter. De omschakeling is eenvoudig gehouden door de negatieve kant van het instrument aan aarde te leggen. Vandaar dat op het eerste gezicht sommige onderdelen in het schema verkeerd om staan.
|
Meten van output. |
Meten van anodestroom bij een interne voeding met bruggelijkrichting of een externe voeding met twee magnetrontrafo's. |
Het systeem met zes of meer 1N4148 diodes in serie voor het meten van de output (Po) gebruik ik al vele jaren in mijn zelfgebouwde dummy-loads. In de tekening («fig) gaat de gelijkgerichte spanning via 220 kΩ naar de 100 kΩ potmeter (fig»). Speciale diodes of compensatie met condensatoren is op HF niet nodig. Het geheel werkt behoorlijk frequentieonafhankelijk en als de 1 mA schaal goed geijkt wordt, is de eigenbouw Wattmeter nauwkeuriger dan vele kastjes van de bekende snoepwinkels. In de lineair dient het systeem als relatieve outputmeter. De aanwijzing op de hogere banden zal wat enthousiaster zijn omdat de impedantie van het meetpunt niet op alle banden 50 Ω is. Door montage en bedrading wordt ongewenst capaciteit en zelfinductie aan de schakeling toegevoegd.
De schakeling heeft één zwak punt; als de versterker kortstondig onbelast is, kunnen diodes defect raken door de te hoge spanning op het meetpunt. Als dat gebeurt heeft u zich extra werk op de hals gehaald, maar dat wordt ruimschoots gecompenseerd door de huidige prijs van deze onderdelen. Vervang wel alle diodes!
De roosterstroom (Ig) wordt gemeten met een 2,2 Ω weerstand dat het rooster met aarde verbindt; een condensator verzorgt HF ontkoppeling. Met een 2,2 kΩ kan een bereik ingesteld worden van 0 – 100 mA of 0 – 1 A.
ALC
Eigenlijk is ALC (automatic level control) een vorm van HF spraakbehandeling (speech processing), waarmee al naar gelang de ingestelde tijdconstanten, een toename van 2 tot 6 dB aan signaalwinst door de ontvanger is waar te nemen. In de huidige apparatuur houdt de ALC het uitgangsvermogen van een transceiver op een niveau, dat beneden het punt ligt waarbij de versterker overstuurd wordt.
De traagheid van de schakeling is eigenlijk het knelpunt. Veronderstel dat de versterker aan 100 W genoeg heeft en de zender geeft 150 W. In eerste instantie wordt de lineair overstuurd tot de ALC aanspreekt en de set terugregelt naar een lager vermogen. Iedere uitzending begint met vervorming en een breed signaal uit de versterker. Zolang voortdurend gesproken wordt is er niets aan de hand, maar met een minimale adempauze begint de ellende (splatter) opnieuw.
Het zal duidelijk zijn dat het eigenlijk een lapmiddel is zolang de zender meer geeft dan de lineair aankan. Kan de zender de versterker niet oversturen, dan werkt zo'n speech processor uitstekend. Hoe dan ook als het verschil tussen het stuurvermogen en het maximaal toelaatbare ingangsvermogen klein is, dan kan ALC uitkomst bieden.
Na allerlei uitprobeersels bleek alweer dat een simpele schakeling (fig») met 10k potmeter, RFC5, 1N4148, 90 pF en 30 pF trimmer het beste werkte. De schakeling wordt nog gevoeliger door een schotky BAT85 diode te monteren. De hogere gelijkspanning van 15 – 25 V komt van het ongestabiliseerde deel van de 12 V voeding. Pas de volgende afregelprocedure toe. Verbindt met een afgeschermd snoer de ALC pluggen van transceiver en versterker met elkaar. De potmeter wordt van het maximum uit iets teruggedraaid. Geef vol vermogen op de 10 m band en meet de output van de lineair. Regel met de (tol)trimmer zodanig af, dat de naald van de wattmeter net terugvalt. Met de potmeter is daarna het vermogen verder te reduceren.
Een betere manier om teveel uitgangsvermogen weg te werken is het aanbrengen van tegenkoppeling. Dat bevordert ook nog het lineaire gedrag. Onderbreek en monteer een inductievrije weerstand R («fig) tussen 2 × 10 nF en de verbinding met de 1 nF variabele condensator. Belast de versterker met maximum draaggolf en vergroot of verklein de weerstand tot het maximum vermogen een paar watt minder wordt. De ingang impedantie van een buis wordt groter door het toevoegen van de weerstand, maar dat is geen probleem want het ingangscircuit kan dat aanpassen.
In de Amerikaanse beschrijvingen van HF versterkers vindt men dat een paar watt voor deze tegenkoppel weerstand goed genoeg is. In de praktijk worden ze ook met SSB erg warm, daarom lijkt mij een weerstand van meer vermogen beter. Stel de set levert 100W en de versterker heeft maar 80W nodig. Dan is een weerstand van 20W een veilige keus. Tenslotte is het eigenbouw en dat maken wij zo goed mogelijk. Rechts (fig») ziet u een aantal "chip" modellen van een reflectievrije weerstand.
ZEND en ONTVANG SCHAKELING
Een relais, met twee contacten, schakelt de transceiver in de ruststand door naar de antenne. Zodra de PTT geactiveerd wordt klapt het relais naar links om en komt de versterker in bedrijf. Het antennerelais verbindt L8 met de antenne en sluit tevens een gelijkstroomcircuit: basis T3 – 10 kΩ weerstand – smoorspoel (RFC3) naar massa.
De Darlington (BD646) T3 (fig») komt in geleiding en sluit een 27 kΩ weerstand kort. Daarmee zijn de gloeidraad & kathode van de buis via de T1 en T2 geaard en kan er ruststroom lopen. Zodra er gesproken wordt ontvangt de buis sturing en de anodestroom neemt toe. De getoonde schakeling heeft het voordeel dat een buis pas in bedrijf komt, nadat de uitgang van de versterker met de antenne verbonden is.
Zodoende ontstaat een gunstige schakelvolgorde. In een later stadium was ik toch niet helemaal tevreden over de schakeltijd, het ging mij nog te snel. In een van mijn andere versterkers bekrachtigd T3 een relais dat de taak van de Darlington heeft overgenomen. De traagheid van het relais zorgt nu voor de juiste schakelvolgorde. Omdat een zwevende toestand niet goed is voor een buis werd een 27 kΩ weerstand tussen gloeidraad en massa aangebracht. Neem een grotere waarde als de anodespanning ook hoger is. Bij ontvangst gaat er door de weerstand maar een minimale stroom, die als bijkomend voordeel de spanning over de Darlington op een veilige waarde houdt.
Als men in plaats T3 een meer courante NPN Darlington wil gebruiken, wordt de schakeling (fig») gecompliceerder om hetzelfde te bereiken.

2200 V gestabiliseerde HV voeding. De kleine trafo links is voedt de stabilisatie schakeling.
VOEDING
Tegenwoordig zijn transformators voor 1 – 3.5 kV nog maar zelden in de aanbieding voor amateur-prijzen. Voor een eigenbouw is het maar wat u wilt uitgeven of kunt verwerven. Een mogelijke oplossing is het serieparallel schakelen van twee transformators om de juiste primaire en secundaire spanning te krijgen. Dikwijls is het voordeliger om twee gelijke secundaire wikkelingen parallel te schakelen en dan spanningsverdubbeling toe te passen.
Is er bij voorbeeld 2 × 1200 V en elke spoel heeft een weerstand van 50 ?, dan is dat met de spoelen in serie 100 Ω en parallel 25 Ω. Ik heb daar grondig mee geλxperimenteerd. Onder volle belasting kan, door de kleinere inwendige weerstand, de spanningsverdubbeling een 100 V hogere spanning geven dan dezelfde wikkelingen in serie met een bruggelijkrichter. Hieruit blijkt weer eens dat sommige 'orakels' er naast zitten als zij spanningsverdubbeling afkraken.
Defecte magnetrons uit een kringloopwinkel zijn een mogelijke bron voor een voedingsapparaat. Er zijn door mij zes verschillende transformators getest. Op het kleinste type, 11.5 Χ 11.5 Χ 9 cm, stond: Classe H, 220 V/50 Hz, sec 2100 V, 1200 VA, 3,35 V. Met een brug gelijkrichting was de onbelaste spanning 3150 V. Deze zakte naar 2650 V bij een ruststroom van 80 mA. Met een continue draaggolf viel de spanning verder terug naar 1950 V, HF output was dan 575 W.
Gedurende een SSB uitzending was de gemiddelde spanning 2200 V. Voor zo'n klein geval een opmerkelijk resultaat.
Een iets groter model gaf respectievelijk: 3200 V/0 mA, 2900 V/100 mA, 2650 V/650 W en 2750 V/SSB. Een duurproef is niet gedaan, maar een intermitterend (ICAS, intermittent commercial and amateur service) gebruik, zoals in het huishouden, lijkt mij mogelijk.
Één kant («fig) van de secundaire winding was bevestigd met het blikpakket en moet los genomen worden voor aansluiting aan een bruggelijkrichter. Al mijn proeven zijn gedaan met losgemaakte verbinding en trafo op de grond of op een houten plankje. De isolatie van draad en spoelvorm ten opzichte van het blikpakket is niet berekend op een brugschakeling. Monteer daarom een magnetrontrafo geïsoleerd op het chassis door middel van een kunststofplaat.
Een betere methode zijn twee identieke exemplaren (fig») met een traditionele dubbelfasige gelijkrichting met middenaftakking. Door het afwikkelen van beide 3.35 V spoelen naar 2.55 V (belast) en in serie schakelen, is een gloeispanning van 5 V bij 14 à 15 A te verkrijgen. Er is dan al rekening gehouden met de spanningsval over de bedrading en gloeidraadsmoorspoel.
MEETRESULTATEN MET VERSCHILLENDE BUIZEN
Het gedrag van een aantal buizen, met een stuurvermogen (Pi) van 10-, 50- en 100 W, is in: Tabel 1, Tabel 2, Tabel 3, Tabel 4 weergegeven. Bij elke stap is het uitgangsvermogen (Po), roosterstroom (Ig) en anodestroom (Ia) genoteerd. Er is met een anodespanningen van 2500 V en 1700 V gemeten. Houdt er rekening mee dat er buizen bij zijn die als experiment verder zijn uitgestuurd dan is toegestaan.
Een aantal triodes kunnen 100 W uit de zender aan en met ongeveer 1500 V is zelfs een uitgangsvermogen van 400 W mogelijk.
Alle metingen zijn verricht onder zoveel mogelijk dezelfde omstandigheden. Er is geen rekening gehouden met maximaal 10 V veranderingen van de netspanning. Een DAIWA CN101-L wattmeter is zo goed mogelijk geijkt in twee bereiken op 100 W en 400 W bij 14.2 MHz. Op de 10- en 160 m banden geeft de meter te weinig aan, maar de desbetreffende waarden zijn in de tabellen opgenomen.
Van alle geteste buizen zijn de gegevens van de besten weergegeven, zodat u een referentie heeft bij het uitproberen van dezelfde- of equivalente typen. Uit de tabellen zijn interessante dingen te halen. Ervan uitgaande dat bij een goed rendement, het maximale vermogen correspondeert met minder roosterstroom, is te constateren dat de aanpassing van vooral het anodecircuit soms nog geoptimaliseerd kon worden.
Bij een QB3.5/750 is te zien dat het resultaat op 12 m tegenvalt. Het kon aan de aanpassing liggen, maar na vervanging van de buis was het vermogen op die band weer 'normaal'. Kennelijk was de inwendige constructie beschadigd en had dat alleen effect op de 12m-band.
Tot teleurstelling van de eigenaars is één facet overduidelijk: vele onberispelijk ogende buizen met een gave typeaanduiding zijn totaal versleten, er gaat meer in dan uit, en een smoezelig en getint exemplaar kan nog als nieuw werken. Koop daarom een gebruikte buis alleen met terugneemgarantie na een controletest in een lineair en wantrouw een 'zo goed als nieuwe' buis van een vlooienmarkt!
Zelfs nieuwe buizen zijn niet altijd goed vervaardigd, zoals de drie bij mij aanwezige EIMAC 3-500Z! Een van die buizen is door de fabrikant omgeruild, maar vertoonde niet lang daarna hetzelfde euvel.
|
Paragone: I8VYE/0's grafiek omgerekend naar PA0FRI's meetresultaat. |
Joe, I8VYE/Ø heeft mijn ontwerp gebouwd met een QB3,5/750 tetrode bijna klaar. De input SWR was op alle banden van 10 tot en met 80 meter niet hoger dan SWR = 1.5. Hij deed een outputmeting met een pulser in de CW mode en gebruikte een Bird 4381 wattmeter in de PEP stand (max. hold). De Bird was gekalibreerd en hij deed de test met twee dezelfde meetkoppen (slugs) die geen verschillen in de meting gaven.
Mijn meting werd gedaan met een DAIWA CN-101L die gekalibreerd was met mijn Bird 4430 met een 2.5 kW meetkop. De laatste werd vergeleken met twee geleende slugs van hetzelfde type en daarbij bleek dat alledrie volkomen gelijk waren.
U ziet dat de Italiaanse meting een grafisch resultaat geeft dat vrijwel gelijkwaardig is aan de door mij geteste QB3,5/750 buizen. Alleen op 10 m verkreeg hij meer output en dat kan omdat mijn anodekring voor die band met betrekkelijk dun 6 mm² draad gemaakt werd.
TEN SLOTTE

Zelfbouw van ON4TO, eerst met een "normale" variabele condensator en later met een vacuüm type.
Een boek is te vullen met een uitgebreide beschrijving van één HF versterker. Daarom is deze beschrijving een compromis om praktische gegevens te presenteren die bij andere auteurs wat minder aan bod gekomen zijn. Als u meer wilt weten dan zijn de oudere RSGB en ARRL handboeken een goede investering. Ook artikelen van PA0DKO in Electron over dit onderwerp zijn aan te bevelen. Bedenk dat u met het zelf doen, er veel bijleert en de beste ervaring opdoet. Rest mij nog het bedanken van: PA0JCS, PA0PAF, PA1RM, ON4CAG voor hun giften en PA3EKA voor het schenken en het ter beschikking stellen van buizen. Door hun onbaatzuchtige bijdrage was het mogelijk om het een en ander uitvoerig uit te proberen.
![]()