PL519 FRINEAR 150, 150 W (QRP) Versterker
Met een passief rooster schakeling, gepubliceerd in RSGB's RadCom juni 1989
Pi-in 5W, Po-out 80-100W
01-dec-2021 Bijgevoegd het gebouwde ontwerp van PA3SRZ met 2 × QQE06/40 parallel.

Een door F6CRP gebouwde FRINEAR-150, een mooi staaltje van zelfbouw.
Een foto van mijn versterker kan niet meer gemaakt worden, omdat het apparaat verder ontwikkeld werd met 2 ×, 3 × en daarna met 4 × PL519 buizen. Er zijn wel afbeeldingen van succesvolle nabouwers ingevoegd.
EEN QRP VERSTERKER
|
De werkelijke grootte. |
Verder in dit artikel staat een nog eenvoudiger ontwerp. |
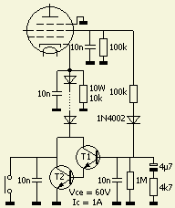
Dit eenvoudige ontwerp van een HF versterker met een EL519 of PL519, een lijnuitgang buis uit oude TV's, is zeer geschikt als versterker voor een QRP setje. Een vermogen van 5 W kan versterkt worden naar 80 – 100 W. Met 10 W sturing komt er nog meer uit. Men kan beginnen met een lagere anodespanning als men nog niet met (zend)buizen gewerkt heeft. Deze schakeling is bij uitstek een goedkope en eenvoudige manier om alsnog ervaring op te doen.
SCHAKELING
De versterker werkt met een inductievrije 50 ?/10 W weerstand als belasting voor het stuurrooster. Het is een passief rooster schakeling en als bijzonderheid wordt de spanning voor het schermrooster onttrokken aan het stuursignaal. Omdat het stuurrooster door een weerstand belast wordt, is de versterker stabiel en heeft in principe geen ingangskringen nodig voor 10 m tot en met 80 m.
INGANGCIRCUIT
|
5 à 6 windingen op T50-6 ringkern |
Inductievrije "weerstanden". |
Helaas kan de capaciteit (± 22 pF) van het rooster ten opzichte van aarde op de hogere banden (10 t/m 20 m) niet verwaarloosd worden. Ook de schakeling voor het gelijkrichten en verviervoudigen beïnvloedt de impedantie van de ingang. Daarom zorgt een kringetje met één spoel en één condensator voor een SWR < 1.5 over het hele HF bereik en compenseert bovendien de capacitieve belasting van de schermrooster voeding.
Als de versterker alléén bestemd is voor 40, 80 of 160 m, dan kan men L1 en 100 pF weglaten. De spoel L1 mag een luchtgewonden type zijn of gemaakt met een gele T50-6 ringkern. Door bij "key-down" vermogen, het indrukken of uittrekken van de windingen, moet men afregelen op de laagste SWR in de 10 m band.
SCHERMROOSTERSPANNING
Een HF wisselspanning over de 50 ? reflectievrije weerstand wordt met diodes gelijkgericht, verviervoudigd en naar het schermrooster geleid. Omdat deze variërende gelijkspanning op het schermrooster het omhullende van het stuursignaal volgt, is het daarmee evenredig en zorgt zo voor een lineaire versterking. Is er geen sturing dan heeft de buis een instelling die te vergelijken is met een zero bias systeem. Zonder een spanning op het schermrooster is de ruststroom laag en dan is er geen negatieve stuurrooster spanning nodig. Mijn methode van gelijkrichten en verdubbelen of verviervoudiging met in serie geschakelde diodes in plaats van gelijkrichting met diode buizen, heeft bij veel buitenlandse zendamateurs navolging gevonden.
OVERSTURING
Als de lineair overstuurd wordt gaat er roosterstroom lopen en bij een te grote waarde licht de LED op. Het is dan verstandig om het ingangsvermogen te reduceren. Naar believen kunt u dit systeem tussen de 4.7 k weerstand en massa weglaten.
KATHODECIRCUIT
De buis is dicht omdat de kathode met 10 k? of een nog grotere weerstand aan aarde ligt. In de zendstand kan met een relais de weerstand kortgesloten worden om de buis stroom te laten trekken. Gaat uw voorkeur uit naar dat systeem gebruik dan een relais en laat alles rond de twee transistors weg.
In dit schema wordt de weerstand overbrugd door een Darlington schakeling met twee transistors. Zodra het schermrooster door verviervoudiging een gelijkspanning krijgt, wordt de basis van T1 via een 100 k? met een spanning gevoed. De Darlington komt in geleiding en verbindt via een aantal in serie geschakelde diodes de kathode met massa. De buis gaat "open" om vermogen te leveren. Als de versterker geen sturing heeft loopt er dus geen rust en anodestroom. De in doorlaatrichting geschakelde diodes vormen samen een zenerdiode voor de ruststroom instelling van de buis. Door het indrukken van de schakelaar wordt tijdelijk de Darlington kortgesloten en kan men met een aantal diodes experimenteren om een geschikte ruststroom te verkrijgen. De componenten aan de basis van de eerste transistor zorgen voor een geschikte RC tijd om een soepele werking van de schakeling te garanderen. De aanspreek en afvaltijd van de schakeling is mijn persoonlijke keus. U kunt met andere waarden experimenteren of het netwerkje met 1 M?, 4.7 k? en 4.7 µF weglaten en een eenvoudiger schakeling bouwen dat verder in dit artikel staat.
RELATIE SCHERMROOSTER EN STUURROOSTER SPANNING

In een aantal van mijn artikelen wordt het systeem van meelopende stuurrooster spanning bij een schermrooster spanning uit het stuursignaal niet door iedereen begrepen. Het ontwerp wordt soms al dan niet met toevallig succes klakkeloos op andere buizen (b.v. QE08/200) losgelaten. In dit artikel wordt het principe van figuur 1 (fig») toegepast. Zonder sturing van de zender wordt met een aantal diodes de ruststroom ingesteld. Weerstand R1 (rooster lekweerstand) zorgt voor een gelijkgerichte negatieve spanning dat evenredig is met een momentele schermrooster spanning. De laatste ontstaat door bewerking van het stuursignaal. Met een te kleine R1 of eigenlijk te weinig negatieve spanning trekt de buis veel anodestroom en moet ook de voeding voor het schermrooster zoveel stroom leveren, dat de spanning in elkaar zakt. Bovendien verandert het gedrag (impedantie) van de buis met een slechte SWR aan de ingang tot gevolg. Met de afregelmethode hiernaast kunt u eventueel zelf met R1 de instelling van de buis optimaliseren.
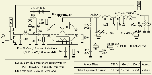
UITGANGSCIRCUIT
Een pi filter transformeert de anode impedantie naar 50 ?. In dit ontwerp bestaat L3 uit een luchtgewonden spoel van 6 mm² aarddraad met in serie een spoel met een T200-2 ringkern. De kern werd gebruikt om de afmeting van de versterker te reduceren. Als u geen plaatsgebrek in uw kast heeft, dan kunt u een kernloze spoel plaatsen.
De variabele tuning condensatoren (2 × 150 pF) vergen enige uitleg. Een condensator van 350 pF is het eenvoudigste, maar vaak is een minimum capaciteit net te groot voor de 10 m band. Daarom gebruikt men vaak een type met een kleinere maximum capaciteit en worden per band vaste condensatoren parallel geschakeld.
Hier werkt het als volgt: door de lage zelfinductie van de eerste spoel staat op 40 en 80 m de 150 pF condensator op de 20 m tap parallel aan de 150 pF tuning condensator. In het 10 – 20 m bereik staat dat parallel aan de loading condensator omdat het ongebruikte deel van de ringkern spoel wordt kortgesloten. Een enkelvoudige 150 pF condensator in combinatie met de getekende 100 pF op de 20 m tap werkt ook. Beide methoden sparen een tweede schakeldek voor de bandschakelaar uit.
Om ruimte te besparen worden hier in pi filters van zelfgebouwde versterkers al meer dan 30 jaar Amidon T200-2 ringkernen toegepast Tegenwoordig wordt dat ook door fabrikanten van lineaire versterkers gedaan. Het wikkelen van een ringkern voor L4 kan op meer dan een wijze: (1) met Teflon geïsoleerd draad, (2) de kern bedekken met Teflon tape of (3) met de navolgende beschreven manier. Maak met een "zeven gaten zaag" twee ringen («fig) van glasvezel printplaat waarvan het koper verwijderd is. Voor een T200-2 ringkern wordt de buitendiameter van de ring 55 mm en het gat 28 mm. Lijm met een paar druppels secondenlijm de beide ringen vast op de kern om het verschuiven bij het wikkelen tegen te gaan. Met deze methode kan men zelfs ongeïsoleerd draad gebruiken.
EEN EENVOUDIGER UITVOERING
In dit eenvoudiger ontwerp (fig») wordt de spanning voor het schermrooster met een 1 ÷ 3 auto trafo en door verdubbeling van de gelijkgerichte spanning uit het stuursignaal verkregen. De transformator L2 werd gemaakt met een ferriet varkensneus met een grote µ. U kunt naar believen uw eigen ontwerp samenstellen door uit beide getoonde schema's een keuze te maken van de aan te brengen details.
Het is aan te bevelen om bij voorbeeld met een elco ervoor te zorgen dat bij het zenden relais Rel1 iets later opkomt dan relais Rel2.
L2 maken met een ringkern of ferrietstaaf van een AM radio gaat het ook, maar het is dan beter om een trifilaire spoel te maken en de drie spoelen in serie te schakelen.
|
|
Een varkensneus met 0.3-0.5 mm draad. |
|
|
160 m
Uitbreiding naar de 160m band is mogelijk met een grotere RFC en een extra spoel in serie met L4 samen met bijschakeling van vaste condensatoren. De extra spoel moet ongeveer 10 µH zijn en dat zijn 28 – 30 windingen op een T200-2 kern. De tuning en loading condensator moeten dan respectievelijk 400 – 500 pF en 2700 – 2900 pF zijn. Hiernaast (fig») het idee dat (nog) niet door mij getest werd.
ANODE SMOORSPOEL
De smoorspoel (RFC) aan de anode is een verhaal apart. De minste problemen doen zich voor met een spoel in één laag. De warmteontwikkeling door infrarood straling van buizen is enorm en pertinax op twee centimeter afstand van een 4 × PL519 PA heeft bij mij vlam gevat. Ook hier is een hittebestendige spoelvorm aan te bevelen. Een forse, keramische draadgewonden weerstand, ontdaan van zijn draad, is een goede basis. Een diameter van 1.5–2 cm is voldoende. Wikkel de vorm over een lengte van 5–10 cm met 0.3–0.5 mm draad van een transformator. Meestal is dan de zelfinductie voldoende voor 80 m en hoger. Sluit begin en einde van de spoel kort («fig) en meet met een
dipper of er resonantie is in een amateur band. Is dit niet het geval dan bent u klaar. Is er wel een dip, probeer dan door het verwijderen of aanbrengen van een paar wikkelingen de resonantie te verschuiven buiten de betreffende band. Of verwijder aan één van de uiteinden het draad over een lengte van ongeveer 1 cm en wikkel opnieuw, maar dan met een spatie van 5 mm ten opzichte van de rest van de spoel. Het onderste deel van de getoonde spoel werd ook opnieuw gewikkeld maar tijdelijk samen met een dunne vislijn (voor de spatie) dat later verwijderd werd. Controleer weer op resonanties binnen een amateurband.
Veel RFC's uit oude zenders resoneren net in de 10 m band of de resonanties vallen precies in de 12 of 17 m banden.
Mijn favoriete spoel is geschikt voor alle negen banden: (±180 µH), diameter 2–2.2 cm, over een lengte van 5 cm gewikkeld met één laag 0,3 mm geëmailleerd draad van een ontmantelde transformator. De draad lijkt voor sommige toepassingen te dun, maar is zelfs na alle experimenten niet doorgebrand.
VOEDING
Een geschikte anodespanning is 800 tot 1300 V. Mijn "HV–1300" elders op deze site is vrij universeel. Een kleinere ~230/230 V scheidingstransformator is zeer geschikt en de capaciteit van de condensatoren kan verlaagd worden naar bij voorbeeld 220 uF/400 V.
RUSTSTROOM
Het controleren van de ruststroom gaat door het indrukken van een drukknop in het eerste schema en door kortsluiten van een paar diodes in het tweede schema. Stel de ruststroom in op 20 à 25 mA.
ANODECLIP
|
|
Het is verstandig om de anodeaansluiting goed te koelen. Stervormige koelers voor transistors zijn goed geschikt als het zwarte geanodiseerde metaal aan de binnenkant blank gemaakt wordt voor een goed elektrisch contact met de anodetop. |
|
PARASIET STOPPER
Parasieten kunnen onderdrukt of voorkomen worden door voor de parasietstromen een obstakel (stopper) aan te brengen die haaks staat («fig) op de richting van de stroom. Dat kan in de vorm van een haarpin geleider en het werkt, zonder noemenswaardig verlies van het oorspronkelijke vermogen, bij frequenties die een veelvoud zijn van 100 MHz. De voornaamste taak is het creëren van een hoge impedantie in serie met het anodecircuit. Deze methode werkt alleen goed als de werkfrequenties en frequenties van de parasieten voldoende van elkaar af liggen, zodat er voor de werkfrequenties geen buitensporige weerstandsverliezen ontstaan. De stopper moet een zo laag mogelijke L/C verhouding hebben en ook voldoende gedempt worden om een breedband werking te verkrijgen.
|
Een stopper kan eventueel uit voorzorg gemonteerd worden, 22 - 100 Ohm is in orde.
Traditionele stopper. |
|
Het dempen kan bereikt worden door parallel aan de haarpin een niet inductieve weerstand te schakelen en de haarpin te maken van slecht geleidend metaal. Een ruw of geprofileerd oppervlak geeft extra weerstand ten opzichte van een gepolijste of gepoetste geleider. De haarpin kan gemaakt worden van een nikkel legering draad c.q. strip of van vertind koper. De gelijkstroomweerstand hoeft niet meer te zijn dan een fractie van 1 Ohm.
Al mijn versterkers met EL/PL519 waren zo stabiel dat er geen parasietstoppers in de anode nodig waren. Het een en ander hangt ook af hoe zo'n apparaat opgebouwd wordt en niet iedereen heeft daar ervaring mee. Sommige nabouwers van mijn ontwerpen werden geconfronteerd met verschijnselen van instabiliteit die wegbleven nadat er in de anodes parasietstoppers aangebracht waren. U kunt de traditionele "weerstand met spoeltje" aanbrengen, maar een haarpin model (van eventueel dunner draad) heeft tegenwoordig mijn voorkeur. Als de versterker toch instabiel blijkt te zijn vergroot of verklein dan de afmeting van de haarpin een beetje.
IN GEBRUIK STELLEN
Als alles klaar en gecontroleerd is, verbindt dan de transceiver met de versterker gevolgd door een SWR/PWR-meter en een geschikte dummyload. Vergeet vooral de extra draad voor het zend/ontvang relais niet. Als na het inschakelen van de voedingsspanning de lineair rustig op zijn plaats blijft of er geen rook uit komt, heeft u kennelijk alles goed opgebouwd. Druk nu de PTT schakelaar in zonder in de microfoon te spreken. Door het telkens steeds meer kortsluiten van de diodes in de kathodelijn, kan de juiste ruststroom van 20 - 25 mA gevonden worden.
Opgepast: Voordat men voor een verandering of een test de bedrading aanraakt («fig), moet de spanning afgeschakeld worden en dient men enige tijd te wachten tot anodespanning weggevloeid is!
Begin in de 80 m band met een sturing van ongeveer 5 W en regel de anodekring af op maximum zendvermogen. Herhaal dit proces met voorzichtig draaien aan de tuning en loading condensators voor eventueel nog meer output. In de microfoon blazen of fluiten geeft geen constante sturing, gebruik een FM of CW signaal. Vergroot nu de sturing tot 10 W en herhaal het eerdere proces in een 30 seconden aan en 30 seconden uit volgorde om de buis te gelegenheid te geven om voldoende af te koelen. Als het een en ander niet goed in resonantie is, moet de buis namelijk teveel verwerken. Immers de anode dissipatie is maar 35 à 40 W! Men kan nog beter het in gebruik stellen beginnen met een lagere anodespanning.
Het beste lineaire gedrag verkrijgt men door bij maximum output de loading condensator iets uit te draaien zodat de naald van de PWR meter één à twee naalddikten terug valt. Daarna nog even aan de tunig C draaien voor maximale uitslag van de meter.
NOG NIET DOOR MIJ GETESTE IDEEËN MET EEN QQE06/40
|
Ware grootte. |
|
Omdat CW niet meer een exameneis is, verkassen veel voormalige UHF/VHF amateurs naar de HF banden. Het gevolg is dat hun 2 meter etc. spullen nogal eens te koop aangeboden worden. Zo ook de bekende dubbeltetrode QQE06/40 of de varianten QQV06/40A, 5894, 559/400A, T25, AX9903, C178A, CV424, CV2797, RS1009, SRS4451 en YL1060. De vraagprijs is regelmatig lager dan dat van een EL/PL519, zodat het aantrekkelijk wordt om aan zo'n dubbelbuis te denken. Hij is klein, mag horizontaal gemonteerd worden en men kan kiezen voor een gloeispanning van 6.3 en 12.6 Volt. Zij zijn sterk, kunnen tegen een kortstondige overbelasting en ondanks de specificaties kan er ook, net als bij een EL/PL519, 1100 V op de anode gezet worden.
De capaciteit van de elektroden tot elkaar inclusief de neutralisatie aan beide anodes zijn voor de HF amateur banden zeer laag te noemen. Omdat in dit ontwerp het stuurrooster belast wordt met een lage weerstand, denk ik dat de buis ook geschikt kan zijn met zelfs de anodes parallel geschakeld. De schema's zien er dan uit zoals het hier afgebeeld is. Let op: er is hier nog geen tijd gevonden om het een en ander uit te testen, maar het kan voor u een uitdaging zijn om dat als eerste te doen.
LA8LJA EN QQE06/40

LA8LJA's experimenteerde op 14 MHz met het ontwerp. Pi = 5W/Po = 80W, Pi = 15-20W/Po = 250 W.
LA8LJA heeft voor zover mij bekend als eerste dit idee getest met een experimenteel bouwsel voor de 20 m band. Hij schreef (in het Nederlands) dat het resultaat hem uitstekend bevalt. Met ongeveer 5 W zendvermogen kwam er 80 W uit en met 15-20 W was dat zelfs 250 W uit zonder hakken en stoten. De ruststroom bij 1100 V was ongeveer 11 mA. De anodekring werd berekend volgens een methode in één van mijn andere artikelen.
In een QSO met een station uit Ierland perste hij er met 20 W ook nog 300 W uit en kreeg daarbij een goed rapport. Een teken van een duidelijk lineair gedrag van het versterkertje. Hij meldt verder: " je kunt het beslist andere amateurs aanraden om het te bouwen en zelfs dat je met 2 × QQE/0640 komt men al aan de limiet van 400 W maximaal zendvermogen".

Zo'n QQE06/40 is eigenlijk bestemd voor een balans schakeling en dat wordt dan iets in de geest van het hiernaast (fig») getoonde en ook nog niet geteste ontwerp. De gelijkrichting en spanningsverdubbeling voor het gemeenschappelijke schermrooster zijn gebaseerd op een Zwitsers patent van meer dan 10 jaar geleden. Om de balans uitgang van de anodes voor 50 Ohm geschikt te maken, werd mijn eigen S-Match antenne tuner systeem in gedachten gehouden.
YO6PMX

|
|
|
GU-19 (??-19)
Buisvoet type B8S
|
Het idee om een QQE06/40 op HF te gebruiken heeft YO6PMX ertoe gebracht een GU-19-1 als zodanig in te zetten bij het ombouwen van een ZETAGI BV-131 CB versterker. Hij noemt zijn omgebouwde versterker "Yuri" vanwege de GU-19 (??-19) buis. Het schema vond hij in dit artikel en het een en ander werkte geweldig volgens hem!
De twee tetrodes werden parallel geschakeld met maar één parasietstopper voor de anodes. De originele trafo werd voorzien van extra windingen om een gloeispanning van 12 V te verkrijgen. Dat begrijp ik niet helemaal want de gloeidraden kan men parallel zetten voor de originele 6.3 V aansluiting. De onbelaste hoogspanning is 1150 V. Met 4 W stuurvermogen komt er 80 W uit en bij 10 W levert de versterker 180 W. Een mooi resultaat.
Naar zijn mening is een goedkope via eBay verkregen ??-19-1 kennelijk een geschikte buis voor het Frinear150 ontwerp.
PA3SZR


MEER VOORBEELDEN VAN SUCCESVOLLE NABOUWERS
YO6PIR
|
YO6PIR heeft twee buizen parallel geschakeld en de output is dan ongeveer 250 W. Zijn artikel heb ik zo goed mogelijk vertaald zie: PU250 voor meer details en het volledige schema. |
|
PE2B


Compact en mooi gebouwd door PE2B.
PE1ABE

PE1ABE bouwde het ontwerp grotendeels na en het zendvermogen was 75 - 100 W bij een stuurvermogen van 5 - 8 W.
Opgelet: Er is echter iets dat niet aan te bevelen is. Bij punt (1) hoort een smoorspoel gemonteerd te worden van de uitgang naar massa. Dat is een veiligheidseis van de overheid. De RFC is er om te voorkomen dat hoogspanning op de antenne uitgang komt als de anode koppelcondensator (1 n/4,5 kV) zou doorslaan. Het is wel de bedoeling dat deze kortsluiting een zekering in de anodelijn laat doorpiepen!

PE1RCO

U kunt zien dat zelfbouw gelukkig nog niet tot het verleden behoort. Met eenvoudige middelen zoals printplaat kan er toch iets goeds en moois («fig) gemaakt worden door PE1RCO.
Hij vond dit ontwerp zeer stabiel zonder dat er rare verschijnselen optraden. Met ongeveer 2 W aansturing werd al 100 W zendvermogen verkregen. Binnen Europa werd op 80 m vlot S9 +20dB aan rapporten ontvangenen op die band kon hij zelfs met Florida werken.

Mooi en hoofdzakelijk met printplaat gebouwd door PE1RCO.
EA6AFJ
Hierbij mijn versie van je één buis versterker met een EL/PL519. Ik heb geprobeerd om zoveel mogelijk zelf te maken zoals: kast, frontplaat, anode draaicondensator, pi-filter etc. Ook de knoppen zijn zelf gedraaid en de trafo's zelf gewikkeld. Een 100 W zendvermogen is geen probleem.

Het resultaat van een volledige zelfbouw mag er wezen!
Het doel van mijn artikelen is het aanzetten tot zelfbouw en EA6AFJ doet daar wel heel veel aan, hi!