KISS 70W POWER AMPLIFIER USING VHF BIPOLAR TRANSISTORS

(Published in RSGB's RadCom aug 1991)

Experimental phase

EXPERIMENT

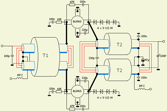
This 10 - 80 m amplifier is using two VHF bipolar power transistors PHILIPS BLW60. The gain of a VHF bipolar transistor can be very high but the amplifier (schematic) was perfectly stable in the experimental phase. I expect the BLW transistors could be replaced by similar VHF-types due to the heavily collector to base feedback. 

It is possible to build this KISS amplifier successfully with the brief information shown on the schematics. The amplifier performs well with a two-tone test and on-air reports are excellent when using a Yaesu FT-7 as the (10 W) driver.

5 – 8 mm-wide cut-out strips of PCB are glued on the board and used as copper pads.

No PCB need be made. Copper clad epoxy is used upside down. The copper side forms the "ground" and 5 mm wide cut-out pieces of copper clad epoxy are glued to the copper as stand-off/soldering pads etc. The epoxy side is bolted to a heat sink.

OUTPUT LOW-PASS (LP) FLTER

 

At present I use 630 V polyester caps (fig») for mij LP filters.

 

OUTPUT BAND-PASS FLTER

 

These components are suited for 100 W transmitters.

In "Band-pass filters for HF transceivers", QST 1988-09, K4VX provides details of these three-pole Butterworth band-pass filters for cleaning-up the harmonic output of any low- or medium-power transmitter. It also provides filtering in the receiver mode, helping to reduce front-end overload problems and limit the number of strong broadcast signals entering the receiver.