![]()
![]()
15-jul-2020 Images of Spectrumanalyzer


INTRODUCTION

Flashover in a tube of an unprotected RF amplifier. The powerful spark induced scorching and inside a hole in the glass.
A fellow ham got an Ameritron HL-811H RF amplifier from estate of a deceased colleague. When he switched on the amplifier a flashover occurs and smoke swirled up. The PA had no additional protection and had not been operational for years. My inspection yielded a burned grid resistor and a partially conductive varistor on. The result was quiescent current in the standby mode and meters for anode and grid current showed respectively a positive and negative deflection.

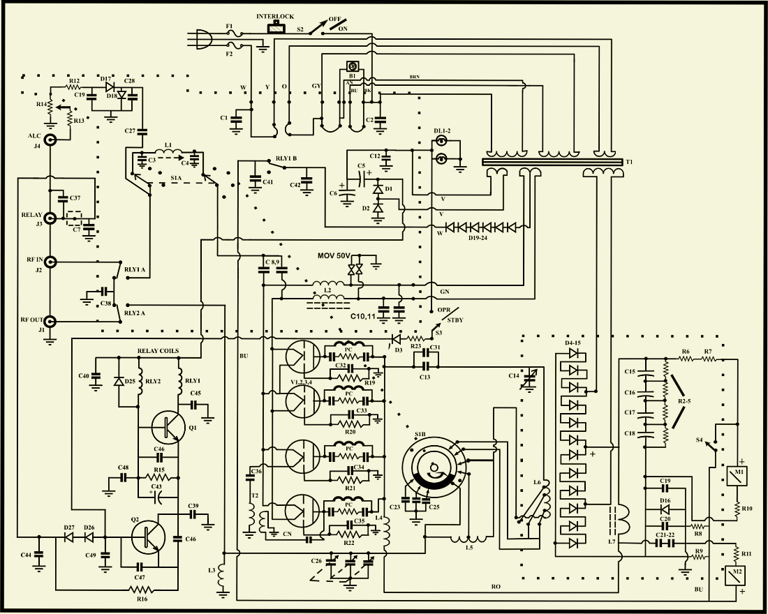
Irregularities in the schematic.

The AL-811H is sold worldwide and is quite a well-built "budget" amplifier, but by no means easy to repair. To dig in the amplifier almost everything has to be deinstalled. Getting to any component is a complete pain, one has to take the back panel off and release enough of the wiring on the large double sised PCB to get aught (e.g. varistor). Repair by a company will be dramatic considering man-hours involved. As radioamateur time is free and one can modify at random time. People of Ameritron are not keen in flawless drawing understandable diagrams. They are even inconsistent when drafting the components. Of the same device circulates different schematics! To more understand the track of the meters I drew the schematic differently. Now one can see how arcing in the tube blows the 50 Ohm resistor and partly conduct one of the varistors. D16 serves as protection of the meters and is also often destroyed by a flash-over.
ARCING PROTECTION


For decades, I advise to mount a resistor and fuse in series with the anode choke as flash over protection for tubes, rectifiers and transformers. It is a cheap, simple and proven effective method. Arcing is a momentary short (flashover) in one of the transmitter tubes.
Before working on a amplifier with tubes, I always at first install (temporarily or permanently) the aforementioned protection. If anaything goes wrong, fuse blows, resistor limits the current and the latter also limit lenght of the arc in the fuse. Therefore, a small standard 230 Volt fuse can be used in place of a much longer HV fuse. The worst thing that happens is a fuse spattered apart and sometimes a intermittent resistance. That's nothing compared to a deceased tube, diodes, or worse a faulty transformer.
Mount a 10 Ohm/10 W wire-wound resistor, and remove ferrite bead L7 (RFC at L4) at the bottom of the PCB. The wire-wound resistor also acts as a replacement for inductor L7.
If the PA is not used for a long time and goes back into operation, remove the fuse and let the amplifier an hour long stand idle. The filaments then have time to heat up the tubes so that they are sufficiently reactivated. My experience is that the mentioned time is sufficient for this type of tubes.
Incidentally arcing can also be caused by parasitic oscillation which is a result of misalignment of or inadequate grounding of components. Given its damage in the depicted tube, I think it's caused by parasitic oscillations, which led to a high voltage. The energy could not leave via the high impedance of the plate circuit, and so chose the shortest path via the tube.
ONE POINT GROUNDING GRIDS

Left original wiring and right all grids directly grounded at one point, e.g. screw of the plate RFC.
Tube sockets rotated 180 °, grid capacitors, resistors and ferrite beads removed.

My belief and experience is that randomd oscillation of an amplifier with tubes usually can be reduces or prevented by using a single grounding point or reduce the lenght of a RF path considerably.
RF drive to the tubes is not directly onto filament pens, but from the PCB on the back through the wires of the filament supply. Further, the ground connection of the PCB with the ground of the grids is only connected by the longer path via the chassis parts. That seems an undesirable situation and therefore the drive is now done with an additional coaxial cable from the PCB to the filament pens. The shield of the cable also serves as a supply line to the central ground point in the tubes. I hope that the pictures are clear enough to understand the modicifications.
NEGATIVE FEEDBACK

Maximum drive of the amplifier is 75 Watt, but many of us have a 100 W transceiver. The least IMD is produced with that power. By applying an RF negative feedback, the set can be used as driver without any fuss. That's convenient and the feedback also prevents largely PA's overdrive and improves linear operation! The feedback system consists of two parallel-noninductive resistors of 22 Ohm/3.5 W between band switch S1A and cathodes (filaments). It will be clear that I had the resistors in stock. Because there sizes little space was to the valve sockets. Therefore they were mounted between band switch S1A and the coaxial cable to the cathodes. Optimal installation is between coax and C8, C9 but because of the short length of coax it proved to be successful. The more drive the more negative feedback.
EXTRA DECOUPLING CAPACITANCE


The plate RFC (L4) is decoupled with C21 and C22. Not close to L4 but far away on the PSU board. Was it a decision of the designer, an Amarican ham, or an decision of the production department? I believe it's asking for trouble, and it is better to shorten the RF path by installing an additional 4n7 capacitor at the lower end of L4. Further, the bottom screw of plate capacitor (C26) is attached with a short wire to L4's screw, so that tuning capacitor has a shorter path to the central ground point and not via a long detour.
NEUTRALIZATION
The stability of the amplifier is increased by the principle of "single point ground", even with with three tubes of the same brand and one tube of another manufacturer. Therefore, nothing of the original neutralization system is changed. Often, neutralization is not necessary with a "single point ground" system.
TO LONG WIRE ON 10m


The long wire to be replaced by coaxial cable (RG213), so that the length is converted into a small capacitance in parallel with the load capacitor.
The size of the 10 m coil has become too small due to mounting method. The inductance of the long supply wires can not be ignored. In fact, it's more of a wire with too much inductance then a coil. It can be improved by replace wire from load capacitor (C26) to band switch (S1) by an equally long coaxial cable. The shielding of the cable is only grounded at the side of C26. With this method, the distance between S1 and C26 changed to a small capacitance in parallel with the load capacitor and the total inductance of the coil 10 m is thereby reduced. Without this change no equal output could be obtained at 24.9, 28 and 29 MHz.
The shield on the side of the switch is also used to ground C23, 24, 25 in order to decrease the "lenght" to the C26.
it would also have been better if the anode coil was mounted 90° anti clockwise reducing the distance to the band switch. Optimal is a separate 10 and 15 m coil.

At the same time the 10 and 15 m coil connections to the band switch were replaced by a thicker (6 mm²) wire for shorter installation. The exercises at 10 m increased the ouput almost 100 W.
The lean connection between plates and coupling capacitors (C13, C31) was improved by installing a wider flexible conductor under the motto: if it not improves it does not harm.
INPUT CIRCUIT
The input circuitry can adjusted on a favorite 20/30 m and 15/17 m band, for example a low SWR on 15 and 20 m. On the other band, the SWR will be high and is an (internal) tuner required for full ouput. If previous owners have been maladjusted the cores then turns anti clockwise so that they touch the back of the PA.
Connect the amplifier to a dummy load and adjust for maximum ouput. Tune not for a dip in the anode current. With four parallel tubes the dip is almost unrecognizable and it is almost never in line with maximum output. Turn the core clockwise until you reach a low SWR. Test and adjust the SWR also on the other bands. After adjusting this modified amplifier SWR on six bands was < 1.5.
REPLACE 811A WITH 572B?

There are regular discussions on forums about whether the 811A tubes can be better replaced by the more robust type 572B. My preference would be given to the latter because I have more experience with it. Therefore, a sumiere test was done with the two types. The numbers are not entirely fair because SWR to 572B's was worser than to original tubes.
After each modification the amplifier was firmly tested and plates never becames red. My conclusion is it makes no sense to install expensive 572B's if one not simultaneously increase anode voltage. More power does not seem sensible when considering that HV transformer is used in both AL-811A with 3 × 811A and AL-811H with 4 × 811A!
FINALLY
After mounting all modifications the power was measured with a Bird watt meter, 2500H (2.5 kW element, insert, slug, turret) and Bird dummy load. Drive power was always kept at 100 W. Please note that the output in the table is partly achieved by exceeding the maximum grid and anode current. With SSB and negative feedback modification one could keep the measured transmit power safely because the average value is lower than with a carrier.

Third order -33.55 dBm

Third order -33.56 dBm

Third order -3O.11 dBm

Third order -33.28 dBm

Third order -24.12 dBm