EFFICIENCY OF SYMMETRICAL ATU's IN CLASS FORMAT

A selection (not the ugly ones) of my home made ATU's.

Class A is top of the class. All ATU's are tested for maximum current into the feeders with:

(1) Three types of antenna's each with 3 different lengths of feeder lines.

(2) With the next set-up.

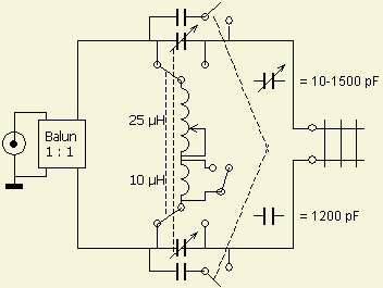
Example of ATU type A3.

Efficiency (95%) of ATU type A3.

Example of a FB ATU type A3 produced by PAØLL.